ddd
Načítám obsah...



Navigace

>> 

Domů

-

Naše aplikace

>

Online katalog

 <<



Autor:
151911+2832 (1671224)Daves (Administrátor)
      
Vytvořeno: 22.05.2013 - Změněno: 04.07.2013

Online katalog



<< Zpět na výběr katalogu  |  Poslat známému odkaz na tuto stránku katalogu: 
Oblast:Kategorie:Hledat číslo nebo název:

IdČísloKsNázev
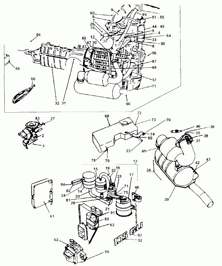
01114-0000181Motor úplný
02004-3013741Těleso vstřikovače
03114-0938511Těsnění tělesa vstřikovače
04114-0506151Trubka sací úplná
05114-0580701Vložka sací trubky
06114-0506021Trubka výfuková
07004-4350061Čidlo teploměru chladicí kapaliny
08004-4350071Čidlo teplotní
09114-9460211Čistič vzduchu úplný
10114-5227601Bowden akcelerace úplný
11114-0024721Patka motoru levá úplná
12114-0506601Mezikus výfukového potrubí
13114-0345701Panel úplný
14114-0304201Nádobka vyrovnávací úplná
15004-3121091Čistič paliva
16004-3191531Čerpadlo palivové
17007-6220311Nádobka s aktivním uhlím
18114-0321621Objímka nádobky
19005-3112911Hadice D.9,5/16,7x340
20005-3112861Hadice D.11/16x50
21007-6061952Spona úplná
22007-6061942Spona úplná
23114-7999221Hadice D.5/9x550
24114-0321602Držák nádobky vyrovnávací
25114-0321611Držák čerpadla palivového
26115-9450201Čerpadlo palivové
27114-0387601Rozvodka
28114-0387611Rozvodka
29114-0387901Redukce
30114-0091201Závrtný šroub
31114-0103011Setrvačník úplný
32114-2000201Skřín převodovky úplná
33114-0205004Rozvodová tyčka úplná
34003-2450091Katalyzátor s příslušenstvím úplný
35005-4160951Kroužek těsnicí
36005-2215562Šroub závrtný
37005-2853342Matice M12
38005-0561592Pružina kuželová
39114-6005031Tlumič výfuku
40114-6908501Těsnění
41114-6023101Držák tlumiče výfuku
42114-6022802Lůžko pružné úplné
43114-6021102Kryt lužka
44114-9110701Rozdělovací raménko
45114-9110001Rozdělovač proudu
46004-1650061Sonda kyslíková
47004-1650051Snímač otáček
48004-3871211Ventil elektromagnetický
49114-9040001Spouštěč
50004-0811524Svíčka zapalovací bosch F7DC
51114-0935111Zapalovací kabel 1. válce
52114-0935211Zapalovací kabel 2. válce
53114-0935311Zapalovací kabel 3. válce
54114-0935411Zapalovací kabel 4. válce
55114-0935001Zapalovací kabel civka-rozdelovac
56114-0300501Řemenice
57943-0975091Řemen ozubený
57943-0975091Řemen ozubený
58004-0161391Baterie
59114-0323141Držák zapalovaní Renix úplný
61004-0460011Jednotka řídící Renix
62004-0500041Stupeň koncový zapalovací
63004-0731211Odpor předřadný
65114-0345711Panel úplný
66007-9024441Elektroinstalace
67114-0366001Vodič ukostřeni agregátu úplný
68005-3112951Hadice spojovací D.13/18x400
69005-3124871Hadice paliva D.7,6/14,4x830
70005-3202001Hadice spojovací D.48/58
71114-7999201Hadice přívodní D.3,5/5,5x2240
72007-6505081Nádrž palivová
73114-6100011Nádrž palivová plechová
74005-3202021Hadice spojovací D.19/28x500 (pouze pro plechovou nádrž)
75114-7999211Hadice přívodní D.3,5/5,5x2600
78113-6125912Pás nádrže úplný
79113-6145702Destička úplná
81005-3112881Hadice D.5/13x540
82005-3112901Hadice D.7/13x820
83005-3112871Hadice D.7/13x800
84005-3112891Hadice D.5/13x200
85114-0323131Držák panelu úplný
86114-7020711Víko zadní podlahy úplné
87114-6105321Trubka zadní odvodní úplná
88114-6105331Trubka zadní přívodní úplná
89114-6149111Hrdlo nádrže s vložkou úplnou
90114-7106501Kryt pod motor levý úplný
91004-0251142Relé
92113-7922411Nápis ozdobný 135


Odkaz na náš katalog užitečných kontaktů - klikni zde


| |

[ Odeslat známému | Verze pro tisk ]
 Online pokec[ větší okno ]  
Načítám zprávy...
Načítám uživatele...
(255)
 
Copyright 2001-2025
Výňatky z webu mohou být použity pouze v případě uvedení zdroje - www.skodateam.cz


Provozovatel srazů a www stránek :
eRman - Roman Schavel,
tel: 603569053, email: pošli email

Redakce a správa obsahu :
Tadeáška - Tereza Spilková,
email: pošli email

Programování a správa www stránek :
Daves - David Spilka,
email: pošli email

Tato stránka není oficiálním webem Škoda Auto a.s.

Partneři ŠKODATEAMU
Výměna oleje v automatu

Výměna oleje v automatické převodovce. Ceník pro vozy Škoda.


Google search

Nenašli jste na těchto stránkách co jste hledali ? Zkuste Google...

Google
Přihlášení
Jméno:
Heslo:
Vždy přihlásit: 



Zapomněl jsem heslo
Chci se zaregistrovat
Kalendář akcí
<< Listopad 2025 >>
PoÚtStČtSoNe
 12
3456789
10111213141516
17181920212223
24252627282930
Přidat akci
Statistika
Právě prohlíží:904
Právě přihlášeno:1
Dnes návštěv:112964
Celkem návštěv:237695647

Článků:1016
Fotografií:34867
Komentářů:17422
Uživatelů:4482