ddd
Načítám obsah...



Vyhledávání
Peníze v banku
591 Kč
Co je to bank a jak čerpat?
Menu
Foto Tip
!Sraz Škoda Škody, Mariánské Lázně, 20.8.2005

Sraz Škoda Škody, Mariánské Lázně, 20.8.2005

WebShop Tip
Naše projekty
www.skodateam.cz
dumsnu.skodateam.cz
vysivky.skodateam.cz
Navigace

>> 

Domů

-

Naše aplikace

>

Online katalog

 <<



Autor:
151911+2832 (1671224)Daves (Administrátor)
      
Vytvořeno: 22.05.2013 - Změněno: 04.07.2013

Online katalog



<< Zpět na výběr katalogu  |  Poslat známému odkaz na tuto stránku katalogu: 
Oblast:Kategorie:Hledat číslo nebo název:

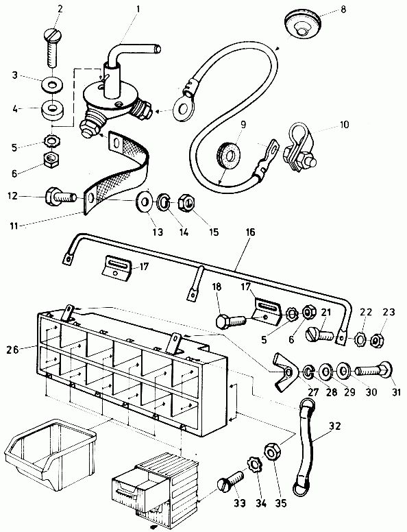
IdČísloKsNázev
02974-1860502Šroub M6x20, ČSN 021151.25
03992-7264882Podložka 8.4, ČSN 021726.15
042Podložka
05992-7444864Podložka 6.4, ČSN 021744.05
06992-4014864Matice M6, ČSN 021401.25
06992-4014864Matice M6, ČSN 021401.25
081Průchodka pryžová
091Průchodka pryžová 13x2, ČSN 633881.1
101Svorka
111Pás zkratu kabelový
12971-2880141Šroub M8x14, ČSN 021103.25
13992-7024881Podložka 8.4, ČSN 021702.15
14992-7404881Podložka 8, ČSN 021740.05
15992-4014881Matice M8, ČSN 021401.25
161Rám ochranný
172Úchyt
18971-2860162Šroub M6x16, ČSN 021103.25
213Šroub M5x18, ČSN 021131.25
22992-7444853Podložka 5.3, ČSN 021744.05
23992-4014853Matice M5, ČSN 021401.25
261Skřín úplná
272Matice M6, ČSN 021665.00
28992-7404862Podložka 6, ČSN 021740.05
29992-7024862Podložka 6.4, ČSN 021702.15
302Podložka pryžová
312Šroub M6x20, ČSN 021319
326Popruh úplný
334Šroub M4x8, ČSN 021151.25
34992-7444844Podložka 4.3, ČSN 021744.05
35992-4010844Matice M4, ČSN 021401.25
1


Odkaz na náš katalog užitečných kontaktů - klikni zde


| |

[ Odeslat známému | Verze pro tisk ]
 Online pokec[ větší okno ]  
Načítám zprávy...
Načítám uživatele...
(255)
 
Copyright 2001-2025
Výňatky z webu mohou být použity pouze v případě uvedení zdroje - www.skodateam.cz


Provozovatel srazů a www stránek :
eRman - Roman Schavel,
tel: 603569053, email: pošli email

Redakce a správa obsahu :
Tadeáška - Tereza Spilková,
email: pošli email

Programování a správa www stránek :
Daves - David Spilka,
email: pošli email

Tato stránka není oficiálním webem Škoda Auto a.s.

Partneři ŠKODATEAMU
Výměna oleje v automatu

Výměna oleje v automatické převodovce. Ceník pro vozy Škoda.


Google search

Nenašli jste na těchto stránkách co jste hledali ? Zkuste Google...

Google
Přihlášení
Jméno:
Heslo:
Vždy přihlásit: 



Zapomněl jsem heslo
Chci se zaregistrovat
Kalendář akcí
<< Listopad 2025 >>
PoÚtStČtSoNe
 12
3456789
10111213141516
17181920212223
24252627282930
Přidat akci
Statistika
Právě prohlíží:945
Právě přihlášeno:1
Dnes návštěv:107765
Celkem návštěv:237690448

Článků:1016
Fotografií:34867
Komentářů:17422
Uživatelů:4482