-
Přidat do oblíbených
-
Switch to English
škoda quickbar >>
skoda-tuning.cz
|
skoda110r.cz
|
skoda110r.com
|
skoda.daves.cz
|
skoda-virt.cz
|
techweb
Auta
Akce
Články
Úpravy
Galerie
Diskuze
E-shop
Inzerce
Katalogy
ddd
Auta
Akce
Články
Úpravy
Galerie
Diskuze
Eshop
Inzerce
Katalogy
Načítám obsah...
Vyhledávání
Peníze v banku
591 Kč
Co je to bank a jak čerpat?
Menu
E-shop Škodateam
O nás
(9)
Jak na náš web?
(5)
Naši sponzoři
Novinky
Akce Škoda
(8)
Vaše vozy
(14)
Úpravy
(6)
Články
(15)
Bazar
Diskuze
Odkazovník
Naše aplikace
(6)
Škoda RACERS
Foto Tip
Škoda 1150 99%hotovo
WebShop Tip
Těsnění akcelerační trysky Weber DCOE W Těsnění trysky
Prodejce:
Daves
29 Kč
Skladem
kusů:
Koupit
Naše projekty
www.skodateam.cz
dumsnu.skodateam.cz
vysivky.skodateam.cz
Navigace
>>
Domů
-
Naše aplikace
>
Online katalog
<<
Autor:
Daves
(Administrátor)
Vytvořeno: 22.05.2013 - Změněno: 04.07.2013
Online katalog
<< Zpět na výběr katalogu
|
Poslat známému odkaz na tuto stránku katalogu:
Oblast:
Motor
Převodovka
Nápravy
Řízení
Příslušenství podvozku
Karosérie
Speciální verze
Kategorie:
Mezistěna Škoda 105 SP [1082 - *]
Výbava Škoda 105 SP [1082 - *]
Škoda 135 BENDIX (GLi,RiC) [0488 - 1290]
<<
>>
Hledat číslo nebo název
:
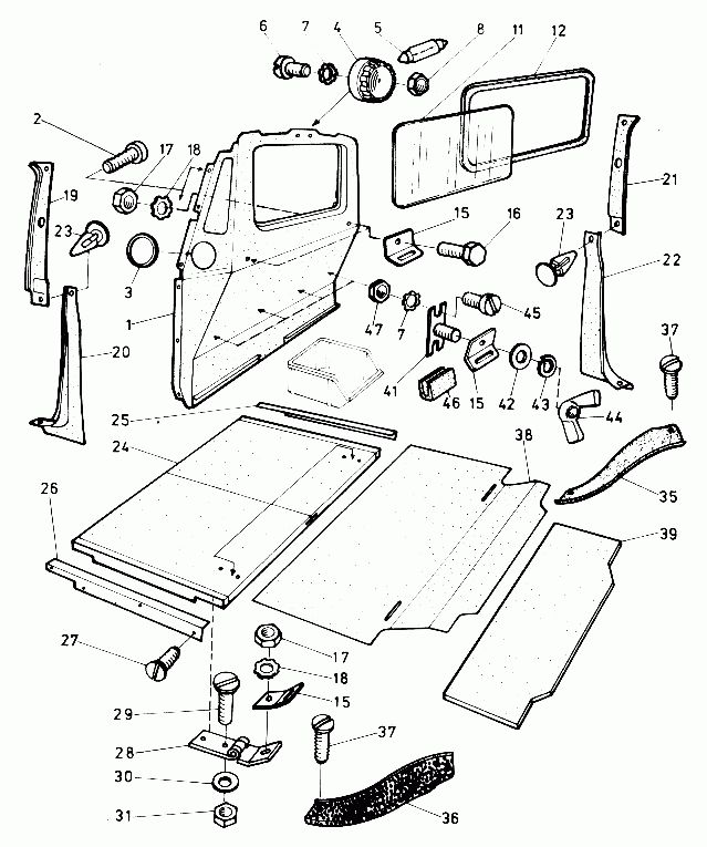
Id
Číslo
Ks
Název
02
14
Šroub M4x12, AZN 021235.05
03
2
Rám těsnění p.441.6.4840-124.6
05
1
Žárovka sufitová 12v/5w patice s8.5
26
1
Zakryt levý
27
8
Šroub M5x20, ČSN 021232
28
2
Zavěs úplný
29
4
Šroub M5x28, ČSN 021151.25
30
4
Podložka 5.5, ČSN 021727.15
31
4
Matice M5, ČSN 021401.05
35
1
Kryt rámu dveří pravý
36
1
Kryt rámu dveří levý
37
4
Šroub M4x12, ČSN 021238.05
39
1
Podložka
41
4
Deska se šroubem
42
992-702486
4
Podložka 6.4, ČSN 021702.15
43
992-740486
4
Podložka 6, ČSN 021740.05
44
4
Matice M6, ČSN 021665.00
45
975-884010
4
Šroub M4x10, ČSN 021131.25
46
4
Lemovka L.45
47
992-401084
4
Matice M4, ČSN 021401.25
Odkaz na náš katalog užitečných kontaktů - klikni zde
>
|
|
[
Odeslat známému
|
Verze pro tisk
]
Online pokec
[
větší okno
menší okno
]
Načítám zprávy...
Načítám uživatele...
(255)
Všem
Copyright 2001-2025
Výňatky z webu mohou být použity pouze v případě uvedení zdroje - www.skodateam.cz
Provozovatel srazů a www stránek :
eRman - Roman Schavel,
tel: 603569053, email:
pošli email
Redakce a správa obsahu :
Tadeáška - Tereza Spilková,
email:
pošli email
Programování a správa www stránek :
Daves - David Spilka,
email:
pošli email
Tato stránka není oficiálním webem Škoda Auto a.s.
Partneři ŠKODATEAMU
Výměna oleje v automatu
Výměna oleje v automatické převodovce. Ceník pro vozy Škoda.
Google search
Nenašli jste na těchto stránkách co jste hledali ? Zkuste Google...
Zadejte své vyhledávací termíny
Odeslat vyhledávací formuláře
Přihlášení
Jméno:
Heslo:
Vždy přihlásit:
Zapomněl jsem heslo
Chci se zaregistrovat
Kalendář akcí
<<
Listopad 2025
>>
Po
Út
St
Čt
Pá
So
Ne
1
2
3
4
5
6
7
8
9
10
11
12
13
14
15
16
17
18
19
20
21
22
23
24
25
26
27
28
29
30
Přidat akci
Statistika
Právě prohlíží:
809
Právě přihlášeno:
1
Dnes návštěv:
103753
Celkem návštěv:
237686436
Článků:
1016
Fotografií:
34867
Komentářů:
17422
Uživatelů:
4482