-
Přidat do oblíbených
-
Switch to English
škoda quickbar >>
skoda-tuning.cz
|
skoda110r.cz
|
skoda110r.com
|
skoda.daves.cz
|
skoda-virt.cz
|
techweb
Auta
Akce
Články
Úpravy
Galerie
Diskuze
E-shop
Inzerce
Katalogy
ddd
Auta
Akce
Články
Úpravy
Galerie
Diskuze
Eshop
Inzerce
Katalogy
Načítám obsah...
Vyhledávání
Peníze v banku
591 Kč
Co je to bank a jak čerpat?
Menu
E-shop Škodateam
O nás
(9)
Jak na náš web?
(5)
Naši sponzoři
Novinky
Akce Škoda
(8)
Vaše vozy
(14)
Úpravy
(6)
Články
(15)
Bazar
Diskuze
Odkazovník
Naše aplikace
(6)
Škoda RACERS
Foto Tip
Stanleyho Rapid
WebShop Tip
Vzdušník pro Weber DCOE IDF IDA DNC DCNL DCO
Prodejce:
Daves
Cena od:
65 Kč
Vybrat parametry
Naše projekty
www.skodateam.cz
dumsnu.skodateam.cz
vysivky.skodateam.cz
Navigace
>>
Domů
-
Naše aplikace
>
Online katalog
<<
Autor:
Daves
(Administrátor)
Vytvořeno: 22.05.2013 - Změněno: 04.07.2013
Online katalog
<< Zpět na výběr katalogu
|
Poslat známému odkaz na tuto stránku katalogu:
Oblast:
Motor
Převodovka
Nápravy
Řízení
Příslušenství podvozku
Karosérie
Speciální verze
Kategorie:
Karoserie náhradní úplná [0876 - 0783]
Karoserie náhradní úplná [0883 - *]
Karoserie náhradní [0876 - *]
Karoserie náhradní [0182 - *]
Víčka a kryty karoserie [0876 - *]
Izolace karoserie [0876 - *]
Přední část karoserie [0876 - *]
Přední čelo, blatníky, víko [0876 - *]
Přední nárazník, přední sklo [0876 - 0783]
Přední nárazník, přední sklo [0883 - *]
Maska chladiče, světlomety [0876 - 0783]
Maska chladiče, světlomety [0883 - *]
Maska chladiče, světlomety [0182 - 0784]
Střední část karoserie [0876 - *]
Střední část karoserie [0182 - *]
Přední dveře 1 [0876 - *]
Přední dveře 1 [0182 - *]
Přední dveře 2 [0876 - *]
Přední dveře 3 [0876 - *]
Přední dveře 4 [0876 - *]
Přední dveře [0182 - *]
Zadní dveře 1 [0876 - *]
Zadní dveře 2 [0876 - *]
Zadní dveře 3 [0876 - *]
Zadní dveře 4 [0876 - *]
Ozdobné lišty - bok karoserie [0876 - *]
Bok karoserie - ozdobné lišty okno [0182 - *]
Zadní část karoserie [0876 - *]
Zadní čelo, svítilny, kapota [0876 - *]
Zadní čelo, svítilny, kapota [0182 - *]
Zadní nárazník, zadní sklo [0876 - 0783]
Zadní nárazník, zadní sklo [0883 - *]
Ozdobné lišty - zadní čelo [0876 - *]
Elektrické příslušenství [0876 - *]
Díly kruhového světlometu [0876 - 0783]
Díly oválného světlometu [0881 - *]
Díly párového světlometu [0876 - 0783]
Díly tvarového světlometu [0883 - *]
Díly zadní skupinové svítilny [0876 - 0783]
Díly zadní skupinové svítilny [0881 - *]
Díly svítilny značkové tabulky [0876 - 0783]
Směrové svítilny [0883 - *]
Stírací souprava [0876 - *]
Díly dvourychlostního stírače [0876 - *]
Díly náhonu stírátek [0876 - 0386]
Díly náhonu stírátek [0486 - *]
Díly stírátka [0876 - *]
Díly ostřikovače čelního skla [0876 - *]
Přístrojová deska [0876 - *]
Přístrojová deska [0881 - *]
Díly středního panelu [0876 - *]
Díly sdruženého přístroje [0876 - *]
Díly panelu s přístroji [0876 - *]
Panel přístrojů [0487 - *]
Spínače [0876 - *]
Vnitřní výstroj a panely [0876 - *]
Vnitřní výstroj a panely [0182 - *]
Koberce [0876 - *]
Koberce [0876 - *]
Koberce [0182 - *]
Přední sedadla [0876 - *]
Přední sedadla [0182 - *]
Zadní sedadla [0876 - *]
Zadní sedadla [0182 - *]
Bezpečnostní pásy přední [0876 - *]
Bezpečnostní pásy přední [0881 - *]
Bezpečnostní pásy přední [0182 - *]
Bezpečnostní pásy zadní [0886 - *]
Bezpečnostní pásy zadní [0886 - *]
Výbava vozu, nářadí [0876 - *]
Chladič oleje (nestandart) [0876 - *]
Výklopná střecha [0883 - *]
Boční ukazatel směru [0883 - 0784]
Panel autorádia [0187 - *]
Ozdobné lišty - zadní čelo Rapid
Díly dvourychlostního stírače [0876 - *]
Výklopná střecha
<<
>>
Hledat číslo nebo název
:
Id
Číslo
Ks
Název
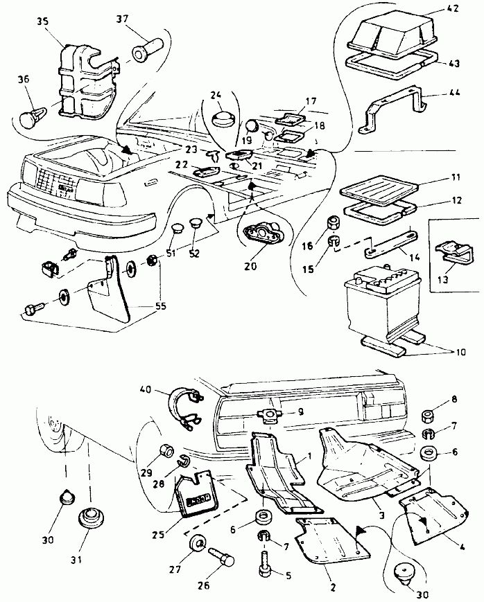
01
113-710650
1
Kryt pod motor levý
01A
113-710655
1
Kryt pod motor levý
02
113-710653
1
Plech krycí levý
03
113-710651
1
Kryt pod motor pravý
03B
113-710652
1
Kryt pod motor pravý
03R
113-710652
1
Kryt pod motor pravý
04
113-710654
1
Plech krycí pravý
05
971-286022
6
Šroub M6x22, ČSN 021103.25
05A
971-286012
6
Šroub M6x12, ČSN 021103.25
06
110-719510
10
Podložka
07
992-740486
10
Podložka 6, ČSN 021740.05
08
992-401486
4
Matice M6, ČSN 021401.25
08
992-401486
4
Matice M6, ČSN 021401.25
09
113-719390
1
Matice volná M6
10
111-791820
2
Podložka pod baterii
11
113-710720
1
Víko skříně baterie úplné (pos.11a,12)
11A
113-710721
1
Víko skříně baterie
11B
113-710722
1
Víko skříně baterie úplné (pos.11c,12a)
11C
113-710723
1
Víko skříně baterie
11C
113-710723
1
Víko skříně baterie
12
934-961036
1
Těsnění víka p.441.9.4840-359.6 L.895
12A
113-799160
1
Těsnění víka p.441.9.4840-359.6 L.895
12B
934-961036
1
Těsnění víka p.441.9.4840-359.6 L.905
12C
113-799161
1
Těsnění víka p.441.9.4840-359.6 L.905
13
111-712310
2
Držák baterie
14
113-712310
1
Držák baterie
15
992-744486
2
Podložka 6.4, ČSN 021744.05
15A
992-744486
1
Podložka 6.4, ČSN 021744.05
16
992-401486
2
Matice M6, ČSN 021401.25
16
992-401486
2
Matice M6, ČSN 021401.25
16A
992-401486
1
Matice M6, ČSN 021401.25
16A
992-401486
1
Matice M6, ČSN 021401.25
17
113-702071
1
Víko zadní podlahy
17A
113-702071
1
Víko zadní podlahy
17R
114-702070
1
Víko zadní podlahy
18
934-961036
1
Těsnění víka zadní podlahy p.441.9.4840-359.6 L.1010
18A
113-799060
1
Těsnění víka zadní podlahy p.441.9.4840-359.6 L.1010
19
113-702040
2
Víčko zadní příčné stěny
20
113-762100
1
Zakryt vzduchového kanálu
21
113-762070
1
Víko vzduchového kanálu zadní
22
110-762070
1
Víko vzduchového kanálu přední
23
110-772772
1
Spona
24
110-702061
1
Víčko úplné
25
113-791390
1
Lapač nečistot levý
25A
113-791390
1
Lapač nečistot pravý
25B
114-791390
1
Lapač nečistot levý
25C
114-791390
1
Lapač nečistot pravý
25D
113-791393
1
Lapač nečistot levý
25E
113-791393
1
Lapač nečistot pravý
25R
114-791390
1
Lapač nečistot levý
25S
114-791390
1
Lapač nečistot pravý
25T
113-791393
1
Lapač nečistot levý
25U
113-791393
1
Lapač nečistot pravý
26
971-286020
4
Šroub M6x20, ČSN 021103.25
27
992-726486
4
Podložka 6.4, ČSN 021726.15
28
992-702486
4
Podložka 6.4, ČSN 021702.15
29
992-401486
4
Matice M6, ČSN 021401.25
29
992-401486
4
Matice M6, ČSN 021401.25
30
110-790804
8
Zátka
30
110-790804
8
Zátka
31
113-790950
10
Zátka
31
113-790950
10
Zátka
35
113-702190
1
Kryt brzdového válce
35A
113-702191
1
Kryt brzdového válce
36
109-746421
3
Sponka
37
109-746420
3
Vložka
37
109-746420
3
Vložka
40
113-797801
1
Pásek zvedáku upínací
42
113-710724
1
Víko skříně baterie úplné
42R
114-710720
1
Víko skříně baterie úplné
43
934-960903
1
Těsnění víka L.950
43A
114-799160
1
Těsnění víka L.950
44
114-712520
1
Třmen
44A
113-712520
1
Třmen
51
113-790801
1
Víčko přední podlahy (hřebenové řízení)
52
113-790802
1
Víčko přední podlahy (maticové řízení)
55
113-791396
1
Lapač nečistot přední levý
55A
113-791396
1
Lapač nečistot přední pravý
Odkaz na náš katalog užitečných kontaktů - klikni zde
>
|
|
[
Odeslat známému
|
Verze pro tisk
]
Online pokec
[
větší okno
menší okno
]
Načítám zprávy...
Načítám uživatele...
(255)
Všem
Copyright 2001-2025
Výňatky z webu mohou být použity pouze v případě uvedení zdroje - www.skodateam.cz
Provozovatel srazů a www stránek :
eRman - Roman Schavel,
tel: 603569053, email:
pošli email
Redakce a správa obsahu :
Tadeáška - Tereza Spilková,
email:
pošli email
Programování a správa www stránek :
Daves - David Spilka,
email:
pošli email
Tato stránka není oficiálním webem Škoda Auto a.s.
Partneři ŠKODATEAMU
Výměna oleje v automatu
Výměna oleje v automatické převodovce. Ceník pro vozy Škoda.
Google search
Nenašli jste na těchto stránkách co jste hledali ? Zkuste Google...
Zadejte své vyhledávací termíny
Odeslat vyhledávací formuláře
Přihlášení
Jméno:
Heslo:
Vždy přihlásit:
Zapomněl jsem heslo
Chci se zaregistrovat
Kalendář akcí
<<
Listopad 2025
>>
Po
Út
St
Čt
Pá
So
Ne
1
2
3
4
5
6
7
8
9
10
11
12
13
14
15
16
17
18
19
20
21
22
23
24
25
26
27
28
29
30
Přidat akci
Statistika
Právě prohlíží:
297
Právě přihlášeno:
1
Dnes návštěv:
51088
Celkem návštěv:
237020098
Článků:
1016
Fotografií:
34867
Komentářů:
17422
Uživatelů:
4482