-
Přidat do oblíbených
-
Switch to English
škoda quickbar >>
skoda-tuning.cz
|
skoda110r.cz
|
skoda110r.com
|
skoda.daves.cz
|
skoda-virt.cz
|
techweb
Auta
Akce
Články
Úpravy
Galerie
Diskuze
E-shop
Inzerce
Katalogy
ddd
Auta
Akce
Články
Úpravy
Galerie
Diskuze
Eshop
Inzerce
Katalogy
Načítám obsah...
Vyhledávání
Peníze v banku
591 Kč
Co je to bank a jak čerpat?
Menu
E-shop Škodateam
O nás
(9)
Jak na náš web?
(5)
Naši sponzoři
Novinky
Akce Škoda
(8)
Vaše vozy
(14)
Úpravy
(6)
Články
(15)
Bazar
Diskuze
Odkazovník
Naše aplikace
(6)
Škoda RACERS
Foto Tip
Moje audio začátky & Škodovky
WebShop Tip
Zajišťovací podložka osy klapek 7mm Weber IDF, DCOE, DCN, DCNF, DMTR
Prodejce:
Daves
25 Kč
Skladem
kusů:
Koupit
Naše projekty
www.skodateam.cz
dumsnu.skodateam.cz
vysivky.skodateam.cz
Navigace
>>
Domů
-
Naše aplikace
>
Online katalog
<<
Autor:
Daves
(Administrátor)
Vytvořeno: 22.05.2013 - Změněno: 04.07.2013
Online katalog
<< Zpět na výběr katalogu
|
Poslat známému odkaz na tuto stránku katalogu:
Oblast:
Motor
Převodovka
Nápravy
Řízení
Příslušenství podvozku
Karosérie
Speciální verze
Kategorie:
Brzdová soustava [0876 - *]
Brzdová soustava [0182 - *]
Díly pedálového ústrojí (maticové řízení) [0876 - 0786]
Díly pedálového ústrojí (hřebenové řízení) [0881 -
Díly hlavního válce spojky [0876 - *]
Díly hlavního válce brzdy D.19 [0876 - 0783]
Díly hlavního válce brzdy D.22 [0876 - 0783]
Díly hlavního válce brzdy D.19 [0883 - *]
Díly podtlakového posilovače [0876 - *]
Díly kotoučové brzdy [0876 - *]
Díly kotoučové brzdy [0182 - *]
Díly zadního brzdového ústrojí [0876 - *]
Díly brzdového válečku [0876 - *]
Ruční brzda [0876 - *]
<<
>>
Hledat číslo nebo název
:
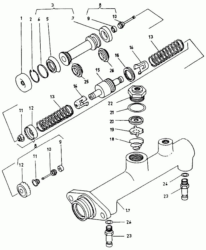
Id
Číslo
Ks
Název
01
110-595350
1
Prachovka
02
992-931021
1
Kroužek pojistný 21, ČSN 022931
03
111-595161
1
Píst úplný
03A
114-595165
1
Píst úplný
04
131-595390
1
Kroužek převlečný
05
131-595370
1
Kroužek pístu
07
132-595361
1
Manžeta 11x19
08
113-595160
1
Píst se záklopkami úplný (pos.9-16)
09
111-595220
2
Ventil
09
111-595220
2
Ventil
10
113-595740
2
Dřík
11
658-358113
2
Pružina
12
111-595772
2
Pouzdro
13
111-595672
2
Pružina
14
111-595711
2
Miska
15
111-595171
1
Píst plovoucí
16
111-595802
1
Kroužek těsnicí
16
111-595802
1
Kroužek těsnicí
17
113-595060
1
Těleso tandemového hlavního válce
18
111-595670
1
Pružina
19
111-595281
1
Těleso ventilu
20
111-595801
1
Těsnění ventilu
21
933-822227
1
Kroužek těsnicí 22x27
22
111-595530
1
Zátka M22x1,5
23
114-595530
2
Zátka M10x1
24
933-821014
2
Kroužek těsnicí 10x14
24
933-821014
2
Kroužek těsnicí 10x14
25
114-595363
1
Manžeta D.19, rl37423100
26
114-595362
1
Manžeta D.19
26
114-595362
1
Manžeta D.19
Odkaz na náš katalog užitečných kontaktů - klikni zde
>
|
|
[
Odeslat známému
|
Verze pro tisk
]
Online pokec
[
větší okno
menší okno
]
Načítám zprávy...
Načítám uživatele...
(255)
Všem
Copyright 2001-2025
Výňatky z webu mohou být použity pouze v případě uvedení zdroje - www.skodateam.cz
Provozovatel srazů a www stránek :
eRman - Roman Schavel,
tel: 603569053, email:
pošli email
Redakce a správa obsahu :
Tadeáška - Tereza Spilková,
email:
pošli email
Programování a správa www stránek :
Daves - David Spilka,
email:
pošli email
Tato stránka není oficiálním webem Škoda Auto a.s.
Partneři ŠKODATEAMU
Výměna oleje v automatu
Výměna oleje v automatické převodovce. Ceník pro vozy Škoda.
Google search
Nenašli jste na těchto stránkách co jste hledali ? Zkuste Google...
Zadejte své vyhledávací termíny
Odeslat vyhledávací formuláře
Přihlášení
Jméno:
Heslo:
Vždy přihlásit:
Zapomněl jsem heslo
Chci se zaregistrovat
Kalendář akcí
<<
Listopad 2025
>>
Po
Út
St
Čt
Pá
So
Ne
1
2
3
4
5
6
7
8
9
10
11
12
13
14
15
16
17
18
19
20
21
22
23
24
25
26
27
28
29
30
Přidat akci
Statistika
Právě prohlíží:
721
Právě přihlášeno:
1
Dnes návštěv:
1251
Celkem návštěv:
236970261
Článků:
1016
Fotografií:
34867
Komentářů:
17422
Uživatelů:
4482