-
Přidat do oblíbených
-
Switch to English
škoda quickbar >>
skoda-tuning.cz
|
skoda110r.cz
|
skoda110r.com
|
skoda.daves.cz
|
skoda-virt.cz
|
techweb
Auta
Akce
Články
Úpravy
Galerie
Diskuze
E-shop
Inzerce
Katalogy
ddd
Auta
Akce
Články
Úpravy
Galerie
Diskuze
Eshop
Inzerce
Katalogy
Načítám obsah...
Vyhledávání
Peníze v banku
591 Kč
Co je to bank a jak čerpat?
Menu
E-shop Škodateam
O nás
(9)
Jak na náš web?
(5)
Naši sponzoři
Novinky
Akce Škoda
(8)
Vaše vozy
(14)
Úpravy
(6)
Články
(15)
Bazar
Diskuze
Odkazovník
Naše aplikace
(6)
Škoda RACERS
Foto Tip
Tuning na letišti v Plasích 2007
WebShop Tip
Pružina klapek pro Weber DCOE typ 027
Prodejce:
Daves
75 Kč
Skladem
kusů:
Koupit
Naše projekty
www.skodateam.cz
dumsnu.skodateam.cz
vysivky.skodateam.cz
Navigace
>>
Domů
-
Naše aplikace
>
Online katalog
<<
Autor:
Daves
(Administrátor)
Vytvořeno: 22.05.2013 - Změněno: 04.07.2013
Online katalog
<< Zpět na výběr katalogu
|
Poslat známému odkaz na tuto stránku katalogu:
Oblast:
Motor
Převodovka
Nápravy
Řízení
Příslušenství podvozku
Karosérie
Speciální verze
Kategorie:
Brzdová soustava [0876 - *]
Brzdová soustava [0182 - *]
Díly pedálového ústrojí (maticové řízení) [0876 - 0786]
Díly pedálového ústrojí (hřebenové řízení) [0881 -
Díly hlavního válce spojky [0876 - *]
Díly hlavního válce brzdy D.19 [0876 - 0783]
Díly hlavního válce brzdy D.22 [0876 - 0783]
Díly hlavního válce brzdy D.19 [0883 - *]
Díly podtlakového posilovače [0876 - *]
Díly kotoučové brzdy [0876 - *]
Díly kotoučové brzdy [0182 - *]
Díly zadního brzdového ústrojí [0876 - *]
Díly brzdového válečku [0876 - *]
Ruční brzda [0876 - *]
<<
>>
Hledat číslo nebo název
:
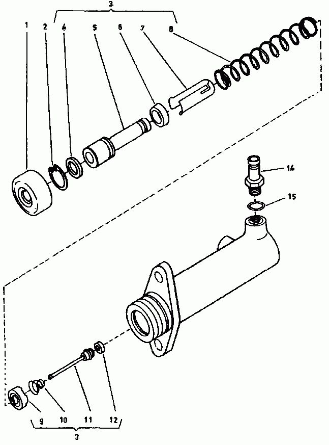
Id
Číslo
Ks
Název
01
110-595530
1
Prachovka
02
992-931021
1
Kroužek pojistný 21, ČSN 022931
03
113-195200
1
Píst se záklopkou úplný
03A
113-195203
1
Píst se záklopkou úplný
04
111-595802
1
Kroužek těsnicí
04
111-595802
1
Kroužek těsnicí
05
113-195201
1
Píst
05A
113-195204
1
Píst
06
132-595361
1
Manžeta 11x19
06A
114-595362
1
Manžeta D.19
06A
114-595362
1
Manžeta D.19
07
111-195690
1
Miska
08
111-195670
1
Pružina
09
111-595772
1
Pouzdro
10
658-358113
1
Pružina
11
113-195240
1
Dřík
12
111-595220
1
Ventil
12
111-595220
1
Ventil
14
114-595530
1
Zátka M10x1
15
933-821014
1
Kroužek těsnicí 10x14
15
933-821014
1
Kroužek těsnicí 10x14
Odkaz na náš katalog užitečných kontaktů - klikni zde
>
|
|
[
Odeslat známému
|
Verze pro tisk
]
Online pokec
[
větší okno
menší okno
]
Načítám zprávy...
Načítám uživatele...
(255)
Všem
Copyright 2001-2025
Výňatky z webu mohou být použity pouze v případě uvedení zdroje - www.skodateam.cz
Provozovatel srazů a www stránek :
eRman - Roman Schavel,
tel: 603569053, email:
pošli email
Redakce a správa obsahu :
Tadeáška - Tereza Spilková,
email:
pošli email
Programování a správa www stránek :
Daves - David Spilka,
email:
pošli email
Tato stránka není oficiálním webem Škoda Auto a.s.
Partneři ŠKODATEAMU
Výměna oleje v automatu
Výměna oleje v automatické převodovce. Ceník pro vozy Škoda.
Google search
Nenašli jste na těchto stránkách co jste hledali ? Zkuste Google...
Zadejte své vyhledávací termíny
Odeslat vyhledávací formuláře
Přihlášení
Jméno:
Heslo:
Vždy přihlásit:
Zapomněl jsem heslo
Chci se zaregistrovat
Kalendář akcí
<<
Listopad 2025
>>
Po
Út
St
Čt
Pá
So
Ne
1
2
3
4
5
6
7
8
9
10
11
12
13
14
15
16
17
18
19
20
21
22
23
24
25
26
27
28
29
30
Přidat akci
Statistika
Právě prohlíží:
719
Právě přihlášeno:
1
Dnes návštěv:
105712
Celkem návštěv:
236963357
Článků:
1016
Fotografií:
34867
Komentářů:
17422
Uživatelů:
4482