-
Přidat do oblíbených
-
Switch to English
škoda quickbar >>
skoda-tuning.cz
|
skoda110r.cz
|
skoda110r.com
|
skoda.daves.cz
|
skoda-virt.cz
|
techweb
Auta
Akce
Články
Úpravy
Galerie
Diskuze
E-shop
Inzerce
Katalogy
ddd
Auta
Akce
Články
Úpravy
Galerie
Diskuze
Eshop
Inzerce
Katalogy
Načítám obsah...
Vyhledávání
Peníze v banku
591 Kč
Co je to bank a jak čerpat?
Menu
E-shop Škodateam
O nás
(9)
Jak na náš web?
(5)
Naši sponzoři
Novinky
Akce Škoda
(8)
Vaše vozy
(14)
Úpravy
(6)
Články
(15)
Bazar
Diskuze
Odkazovník
Naše aplikace
(6)
Škoda RACERS
Foto Tip
Máňa 120S
WebShop Tip
Sací nátrubek AL pro Weber 40 DCOE , Dellorto DHLA/DRLA, Solex ADDHE
Prodejce:
Daves
Cena od:
389 Kč
Vybrat parametry
Naše projekty
www.skodateam.cz
dumsnu.skodateam.cz
vysivky.skodateam.cz
Navigace
>>
Domů
-
Naše aplikace
>
Online katalog
<<
Autor:
Daves
(Administrátor)
Vytvořeno: 22.05.2013 - Změněno: 04.07.2013
Online katalog
<< Zpět na výběr katalogu
|
Poslat známému odkaz na tuto stránku katalogu:
Oblast:
Motor
Převodovka
Nápravy
Řízení
Příslušenství podvozku
Karosérie
Speciální verze
Kategorie:
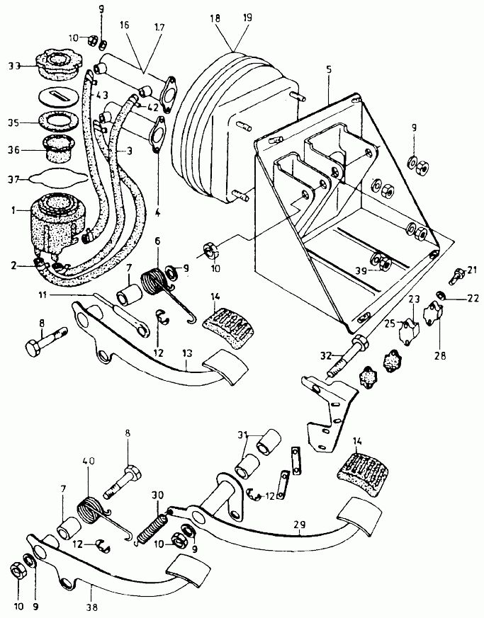
Brzdová soustava [0876 - *]
Brzdová soustava [0182 - *]
Díly pedálového ústrojí (maticové řízení) [0876 - 0786]
Díly pedálového ústrojí (hřebenové řízení) [0881 -
Díly hlavního válce spojky [0876 - *]
Díly hlavního válce brzdy D.19 [0876 - 0783]
Díly hlavního válce brzdy D.22 [0876 - 0783]
Díly hlavního válce brzdy D.19 [0883 - *]
Díly podtlakového posilovače [0876 - *]
Díly kotoučové brzdy [0876 - *]
Díly kotoučové brzdy [0182 - *]
Díly zadního brzdového ústrojí [0876 - *]
Díly brzdového válečku [0876 - *]
Ruční brzda [0876 - *]
<<
>>
Hledat číslo nebo název
:
Id
Číslo
Ks
Název
01
113-595050
1
Nádržka vyrovnávací úplná
02
930-530711
1
Hadice D.7/11x275
02A
113-799916
1
Hadice D.7/11x275
03
930-530711
1
Hadice D.7/11x175
03A
114-799900
1
Hadice D.7/11x175
03B
930-530711
1
Hadice D.7/11x215
03C
113-799930
1
Hadice D.7/11x215
04
113-195000
1
Valeč spojky hlavní D.19 úplný
04
113-195000
1
Valeč spojky hlavní D.19 úplný
04
113-195000
1
Valeč spojky hlavní D.19 úplný
05
114-520113
1
Konzola pedálu úplná
05A
114-520112
1
Konzola pedálu úplná
06
113-528190
1
Pružina pedálu spojky
06A
113-528191
1
Pružina pedálu spojky
07
113-528020
1
Pouzdro
07A
113-528020
2
Pouzdro
08
970-288045
1
Šroub M8x45, ČSN 021101.25
08A
970-288045
2
Šroub M8x45, ČSN 021101.25
09
992-740488
10
Podložka 8, ČSN 021740.05
10
992-401488
6
Matice M8, ČSN 021401.25
11
111-522830
1
Tyč pístní
12
992-929487
2
Kroužek 7, ČSN 022929.05
12
992-929487
2
Kroužek 7, ČSN 022929.05
13
114-520240
1
Pedál spojky úplný
13A
114-520242
1
Pedál spojky úplný
13B
114-520241
1
Pedál spojky úplný
13C
113-520244
1
Pedál spojky úplný
13D
114-520243
1
Pedál spojky úplný
14
110-595820
2
Obložení šlapky
14
110-595820
2
Obložení šlapky
16
114-595010
1
Valeč tandemový hlavní D.22
18
114-595011
1
Posilovač podtlakový úplný
19
114-595013
1
Posilovač podtlakový úplný
21
974-164014
4
Šroub M4x14, ČSN 021131.24
21A
975-384014
4
Šroub M4x14, pn 021147.25
22
992-745464
4
Podložka 4.3, ČSN 021745.04
23
114-526390
1
Západka úplná
25
113-595292
1
Spínač signalizace
28
113-595291
1
Spínač
29
114-520261
1
Pedál brzdy úplný
30
114-528190
1
Pružina pedálu brzdy
30
114-528190
1
Pružina pedálu brzdy
31
114-528020
2
Pouzdro
32
972-788090
1
Šroub M8x90, ČSN 021201.25
33
111-595130
1
Víčko
33
111-595130
1
Víčko
35
193-595803
1
Těsnění
35
193-595803
1
Těsnění
36
193-595731
1
Sítko
37
113-595701
1
Spona
38
114-520260
1
Pedál brzdy úplný
39
992-402488
4
Matice M8, ČSN 021402.25
40
113-528190
1
Pružina pedálu brzdy
42
111-562770
6
Spona se šroubem a matici
43
930-530711
1
Hadice D.7/11x66
43A
114-799901
1
Hadice D.7/11x66
43B
930-530711
1
Hadice D.7/11x106
43C
113-799931
1
Hadice D.7/11x106
Odkaz na náš katalog užitečných kontaktů - klikni zde
>
|
|
[
Odeslat známému
|
Verze pro tisk
]
Online pokec
[
větší okno
menší okno
]
Načítám zprávy...
Načítám uživatele...
(255)
Všem
Copyright 2001-2025
Výňatky z webu mohou být použity pouze v případě uvedení zdroje - www.skodateam.cz
Provozovatel srazů a www stránek :
eRman - Roman Schavel,
tel: 603569053, email:
pošli email
Redakce a správa obsahu :
Tadeáška - Tereza Spilková,
email:
pošli email
Programování a správa www stránek :
Daves - David Spilka,
email:
pošli email
Tato stránka není oficiálním webem Škoda Auto a.s.
Partneři ŠKODATEAMU
Výměna oleje v automatu
Výměna oleje v automatické převodovce. Ceník pro vozy Škoda.
Google search
Nenašli jste na těchto stránkách co jste hledali ? Zkuste Google...
Zadejte své vyhledávací termíny
Odeslat vyhledávací formuláře
Přihlášení
Jméno:
Heslo:
Vždy přihlásit:
Zapomněl jsem heslo
Chci se zaregistrovat
Kalendář akcí
<<
Listopad 2025
>>
Po
Út
St
Čt
Pá
So
Ne
1
2
3
4
5
6
7
8
9
10
11
12
13
14
15
16
17
18
19
20
21
22
23
24
25
26
27
28
29
30
Přidat akci
Statistika
Právě prohlíží:
1012
Právě přihlášeno:
1
Dnes návštěv:
99063
Celkem návštěv:
236956708
Článků:
1016
Fotografií:
34867
Komentářů:
17422
Uživatelů:
4482