ddd
Načítám obsah...



Vyhledávání
Peníze v banku
591 Kč
Co je to bank a jak čerpat?
Menu
Foto Tip
!Fotogalerie 11. Rally ples 2017

Fotogalerie 11. Rally ples 2017

WebShop Tip
Zajišťovací podložka trumpety pro 45
Zajišťovací podložka trumpety pro 45
Prodejce: Daves

29 Kč


Skladem
kusů:
Naše projekty
www.skodateam.cz
dumsnu.skodateam.cz
vysivky.skodateam.cz
Navigace

>> 

Domů

-

Naše aplikace

>

Online katalog

 <<



Autor:
151778+2832 (1669788)Daves (Administrátor)
      
Vytvořeno: 22.05.2013 - Změněno: 04.07.2013

Online katalog



<< Zpět na výběr katalogu  |  Poslat známému odkaz na tuto stránku katalogu: 
Oblast:Kategorie:Hledat číslo nebo název:

IdČísloKsNázev
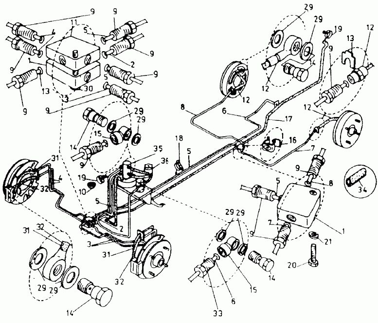
01113-5954602Rozvodka pevná
01113-5954602Rozvodka pevná
01113-5954602Rozvodka pevná
01A113-5954602Rozvodka pevná
01A113-5954602Rozvodka pevná
01A113-5954602Rozvodka pevná
01B113-5954602Rozvodka pevná
01B113-5954602Rozvodka pevná
01B113-5954602Rozvodka pevná
02114-5606261Trubka od hlavního válce k rozvodce 1
02A114-5606271Trubka od hlavního válce k rozvodce 1
02B114-5606261Trubka od hlavního válce k rozvodce 1
02C114-5606261Trubka od hlavního válce k rozvodce 1
02D114-5606271Trubka od hlavního válce k rozvodce 1
02E114-5606271Trubka od hlavního válce k rozvodce 1
03114-5606241Trubka od rozvodky 1 k levému přednímu kolu
03A114-5606221Trubka od rozvodky 2 k levému přednímu kolu
03A114-5606221Trubka od rozvodky 2 k levému přednímu kolu
03B114-5606241Trubka od rozvodky 1 k levému přednímu kolu
03C114-5606221Trubka od rozvodky 2 k levému přednímu kolu
03C114-5606221Trubka od rozvodky 2 k levému přednímu kolu
03D114-5606241Trubka od rozvodky 1 k levému přednímu kolu
03E114-5606221Trubka od rozvodky 2 k levému přednímu kolu
03E114-5606221Trubka od rozvodky 2 k levému přednímu kolu
04114-5606251Trubka od rozvodky 2 k pravému přednímu kolu
04A114-5606231Trubka od rozvodky 1 k pravému přednímu kolu
04B114-5606251Trubka od rozvodky 2 k pravému přednímu kolu
04C114-5606231Trubka od rozvodky 1 k pravému přednímu kolu
04D114-5606251Trubka od rozvodky 2 k pravému přednímu kolu
04E114-5606231Trubka od rozvodky 1 k pravému přednímu kolu
05114-5606211Trubka od přední rozvodky 2 k zadní rozvodce
05A114-5606201Trubka od hlavního válce k rozvodce 2
05B114-5606281Trubka od hlavního válce k rozvodce 2
05C114-5606211Trubka od přední rozvodky 2 k zadní rozvodce
05D114-5606201Trubka od hlavního válce k rozvodce 2
05E114-5606281Trubka od hlavního válce k rozvodce 2
05F114-5606211Trubka od přední rozvodky 2 k zadní rozvodce
05G114-5606201Trubka od hlavního válce k rozvodce 2
05H114-5606281Trubka od hlavního válce k rozvodce 2
06114-5606151Trubka od hlavního válce k hadici spojky
06114-5606151Trubka od hlavního válce k hadici spojky
06A113-5607121Trubka od hlavního válce k hadici spojky
06B114-5606151Trubka od hlavního válce k hadici spojky
06B114-5606151Trubka od hlavního válce k hadici spojky
06C113-5607121Trubka od hlavního válce k hadici spojky
06D114-5606151Trubka od hlavního válce k hadici spojky
06D114-5606151Trubka od hlavního válce k hadici spojky
06E113-5607121Trubka od hlavního válce k hadici spojky
07113-5606151Trubka od rozvodky k levému zadnímu kolu
07113-5606151Trubka od rozvodky k levému zadnímu kolu
07A113-5606151Trubka od rozvodky k levému zadnímu kolu
07A113-5606151Trubka od rozvodky k levému zadnímu kolu
07B113-5606151Trubka od rozvodky k levému zadnímu kolu
07B113-5606151Trubka od rozvodky k levému zadnímu kolu
08113-5606141Trubka od rozvodky k pravému zadnímu kolu
08113-5606141Trubka od rozvodky k pravému zadnímu kolu
08A113-5606141Trubka od rozvodky k pravému zadnímu kolu
08A113-5606141Trubka od rozvodky k pravému zadnímu kolu
08B113-5606141Trubka od rozvodky k pravému zadnímu kolu
08B113-5606141Trubka od rozvodky k pravému zadnímu kolu
09110-59551020Přípojka šroubová M10x1
09110-59551020Přípojka šroubová M10x1
09A110-59551020Přípojka šroubová M10x1
09A110-59551020Přípojka šroubová M10x1
09B110-59551020Přípojka šroubová M10x1
09B110-59551020Přípojka šroubová M10x1
10111-5958009Průchodka
10A111-5958009Průchodka
10B111-5958009Průchodka
11110-5954631Rozvodka pevná
11A110-5954631Rozvodka pevná
11B110-5954631Rozvodka pevná
13110-5957006Držák hadice
13A110-5957006Držák hadice
13B110-5957006Držák hadice
14110-5955319Šroub přívodní M10x1
14110-5955319Šroub přívodní M10x1
14110-5955319Šroub přívodní M10x1
14A110-5955319Šroub přívodní M10x1
14A110-5955319Šroub přívodní M10x1
14A110-5955319Šroub přívodní M10x1
15110-5954603Přípojka stavitelná M10x1
15110-5954603Přípojka stavitelná M10x1
15A110-5954603Přípojka stavitelná M10x1
15A110-5954603Přípojka stavitelná M10x1
15B110-5954603Přípojka stavitelná M10x1
15B110-5954603Přípojka stavitelná M10x1
16113-7193901Matice volná M6
16A113-7193901Matice volná M6
16B113-7193901Matice volná M6
17930-5310151Hadice D.10/15x3650, ČSN 635387
17A113-7999061Hadice D.10/15x3650, ČSN 635387
17B930-5310151Hadice D.10/15x3650, ČSN 635387
17C113-7999061Hadice D.10/15x3650, ČSN 635387
17D930-5310151Hadice D.10/15x3650, ČSN 635387
17E113-7999061Hadice D.10/15x3650, ČSN 635387
18113-5664201Příchytka hadice
18A113-5664201Příchytka hadice
18B113-5664201Příchytka hadice
19930-4900052Spona 5, ČSN 022751.5
19A930-4800052Páska 5, ČSN 022757
19B930-4900052Spona 5, ČSN 022751.5
19C930-4800052Páska 5, ČSN 022757
19D930-4900052Spona 5, ČSN 022751.5
19E930-4800052Páska 5, ČSN 022757
20971-2860251Šroub M6x25, ČSN 021103.25
20A971-2860251Šroub M6x25, ČSN 021103.25
20B971-2860251Šroub M6x25, ČSN 021103.25
21991-7400062Podložka 6, ČSN 021740.02
21A991-7400062Podložka 6, ČSN 021740.02
21B991-7400062Podložka 6, ČSN 021740.02
29933-82101418Kroužek těsnicí 10x14, ČSN 029310.2
29933-82101418Kroužek těsnicí 10x14, ČSN 029310.2
29A933-82101418Kroužek těsnicí 10x14, ČSN 029310.2
29A933-82101418Kroužek těsnicí 10x14, ČSN 029310.2
29B933-82101418Kroužek těsnicí 10x14, ČSN 029310.2
29B933-82101418Kroužek těsnicí 10x14, ČSN 029310.2
30970-2860451Šroub M6x45, ČSN 021101.25
30A970-2860451Šroub M6x45, ČSN 021101.25
30B970-2860451Šroub M6x45, ČSN 021101.25
31114-5956112Hadice brzdová cd 430, ČSN 303527.1
31114-5956112Hadice brzdová cd 430, ČSN 303527.1
32109-5956132Hadice brzdová cd 430, ČSN 303527.1
33110-5955112Přípojka šroubová M10x1
33A110-5955112Přípojka šroubová M10x1
33B110-5955112Přípojka šroubová M10x1
34114-5641901Trubička izolační
34A114-5641601Trubička izolační
34B114-5641601Trubička izolační
351Ustrojí pedálové úplné s posilovačem (hřebenové řízení)
35A1Ustrojí pedálové úplné s posilovačem (hřebenové řízení)
35B1Ustrojí pedálové úplné s posilovačem (hřebenové řízení)
361Ustrojí pedálové úplné s posilovačem (hřebenové řízení)
36A1Ustrojí pedálové úplné s posilovačem (hřebenové řízení)
36B1Ustrojí pedálové úplné s posilovačem (hřebenové řízení)


Odkaz na náš katalog užitečných kontaktů - klikni zde


| |

[ Odeslat známému | Verze pro tisk ]
 Online pokec[ větší okno ]  
Načítám zprávy...
Načítám uživatele...
(255)
 
Copyright 2001-2025
Výňatky z webu mohou být použity pouze v případě uvedení zdroje - www.skodateam.cz


Provozovatel srazů a www stránek :
eRman - Roman Schavel,
tel: 603569053, email: pošli email

Redakce a správa obsahu :
Tadeáška - Tereza Spilková,
email: pošli email

Programování a správa www stránek :
Daves - David Spilka,
email: pošli email

Tato stránka není oficiálním webem Škoda Auto a.s.

Partneři ŠKODATEAMU
Výměna oleje v automatu

Výměna oleje v automatické převodovce. Ceník pro vozy Škoda.


Google search

Nenašli jste na těchto stránkách co jste hledali ? Zkuste Google...

Google
Přihlášení
Jméno:
Heslo:
Vždy přihlásit: 



Zapomněl jsem heslo
Chci se zaregistrovat
Kalendář akcí
<< Listopad 2025 >>
PoÚtStČtSoNe
 12
3456789
10111213141516
17181920212223
24252627282930
Přidat akci
Statistika
Právě prohlíží:649
Právě přihlášeno:1
Dnes návštěv:85034
Celkem návštěv:236942679

Článků:1016
Fotografií:34867
Komentářů:17422
Uživatelů:4482