-
Přidat do oblíbených
-
Switch to English
škoda quickbar >>
skoda-tuning.cz
|
skoda110r.cz
|
skoda110r.com
|
skoda.daves.cz
|
skoda-virt.cz
|
techweb
Auta
Akce
Články
Úpravy
Galerie
Diskuze
E-shop
Inzerce
Katalogy
ddd
Auta
Akce
Články
Úpravy
Galerie
Diskuze
Eshop
Inzerce
Katalogy
Načítám obsah...
Vyhledávání
Peníze v banku
602 Kč
Co je to bank a jak čerpat?
Menu
E-shop Škodateam
O nás
(9)
Jak na náš web?
(5)
Naši sponzoři
Novinky
Akce Škoda
(8)
Vaše vozy
(14)
Úpravy
(6)
Články
(15)
Bazar
Diskuze
Odkazovník
Naše aplikace
(6)
Škoda RACERS
Foto Tip
Š 110RS
WebShop Tip
Pérovka uchycení nátrubků Weber DCOE žlutá
Prodejce:
Daves
10 Kč
Skladem
kusů:
Koupit
Naše projekty
www.skodateam.cz
dumsnu.skodateam.cz
vysivky.skodateam.cz
Navigace
>>
Domů
-
Naše aplikace
>
Online katalog
<<
Autor:
Daves
(Administrátor)
Vytvořeno: 22.05.2013 - Změněno: 04.07.2013
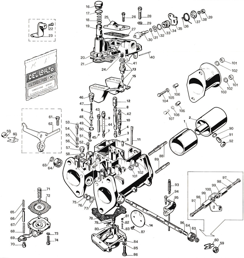
Online katalog
<< Zpět na výběr katalogu
|
Poslat známému odkaz na tuto stránku katalogu:
Oblast:
WEBER
DELLORTO
Kategorie:
40 DHLA
36 DRLA
40 DRLA
40 DHLA G
45 DHLA M
<<
>>
Hledat číslo nebo název
:
Id
Číslo
Ks
Název
998
7956.37.65
2
2
8011.2.68
2
1
7956.37.65
2
999
8011.2.68
2
3
7484.165.02
2
4
7644.52.02
2
5
7529.110.02
2
6
10317.38.02
2
7
3315.80.02
1
8
7772.13.28
2
9
7482.3.28
1
10
7850.9.01
2
11
11137.00.28
2
12
7485.230.01
2
13
11135.200.33
1
14
8010.1.64
2
15
7298.1.80
1
16
10126-34
1
17
7834-30
1
18
7413-61
1
19
9609-64
1
20
11142-54
1
21
12033-30
1
22
6434-36
1
23
7488-63
1
24
9498-29
1
25
9925-06
1
26
7530-36
2
27
9933-30
1
28
6430-36
4
29
4997-23
4
30
10128-39
1
31
7571-30
1
32
7837-23
1
33
7834-30
1
34
10127-34
1
35
7341-26
1
36
7854-61
1
37
7838-20
1
38
4957-23
1
39
2906-27
1
40
7503-22
1
41
6425-30
1
42
7540-30
2
43
7513-34
2
44
7525-42
2
45
6415-03
2
46
10747-34
2
47
10748-29
2
48
6173-30
2
49
6426-30
2
50
9926-37
2
51
8678-30
2
52
7959-34
2
53
11132-37
2
54
9336-61
2
55
8260-23
2
56
8678-30
2
57
10125-34
2
58
9155-30
2
59
6423-27
2
60
6581-23
2
61
9754-37
1
62
11140-26
1
63
7537-23
2
64
7490-45
2
65
10801-61
1
66
8260-23
1
67
9662-35
1
68
9861-61
1
69
10744-67
1
70
10740-27
1
71
9663-61
1
72
10742-44
1
73
5011-23
4
74
6429-36
4
75
10262-30
2
76
10264-30
2
77
10263-21
2
78
9989-30
1
79
7542-33
1
80
7540-30
1
81
9929-20
1
82
6415-03
1
83
8543-61
1
84
9931-90
1
85
4997-23
4
86
7526-36
4
87
6416-36
4
88
11294-36
2
89
7630-36
2
90
1158-30
2
91
7507-36
2
92
9934-27
2
93
7957-61
1
94
7667-36
1
95
8307-26
1
96
8352-39
1
97
9754-37
2
98
4670-61
2
99
11127-20
2
100
11129-26
1
101
7427-27
6
102
1948-23
6
103
8559-55
2
104
7062-36
1
105
6850-23
1
106
8255-27
2
107
7081-36
1
108
1581-23
1
Odkaz na náš katalog užitečných kontaktů - klikni zde
>
|
|
[
Odeslat známému
|
Verze pro tisk
]
Online pokec
[
větší okno
menší okno
]
Načítám zprávy...
Načítám uživatele...
(255)
Všem
Copyright 2001-2026
Výňatky z webu mohou být použity pouze v případě uvedení zdroje - www.skodateam.cz
Provozovatel srazů a www stránek :
eRman - Roman Schavel,
tel: 603569053, email:
pošli email
Redakce a správa obsahu :
Tadeáška - Tereza Spilková,
email:
pošli email
Programování a správa www stránek :
Daves - David Spilka,
email:
pošli email
Tato stránka není oficiálním webem Škoda Auto a.s.
Partneři ŠKODATEAMU
Výměna oleje v automatu
Výměna oleje v automatické převodovce. Ceník pro vozy Škoda.
Google search
Nenašli jste na těchto stránkách co jste hledali ? Zkuste Google...
Zadejte své vyhledávací termíny
Odeslat vyhledávací formuláře
Přihlášení
Jméno:
Heslo:
Vždy přihlásit:
Zapomněl jsem heslo
Chci se zaregistrovat
Kalendář akcí
<<
Březen 2026
>>
Po
Út
St
Čt
Pá
So
Ne
1
2
3
4
5
6
7
8
9
10
11
12
13
14
15
16
17
18
19
20
21
22
23
24
25
26
27
28
29
30
31
Přidat akci
Statistika
Právě prohlíží:
981
Právě přihlášeno:
1
Dnes návštěv:
77531
Celkem návštěv:
249285670
Článků:
1017
Fotografií:
34884
Komentářů:
17427
Uživatelů:
4490