-
Přidat do oblíbených
-
Switch to English
škoda quickbar >>
skoda-tuning.cz
|
skoda110r.cz
|
skoda110r.com
|
skoda.daves.cz
|
skoda-virt.cz
|
techweb
Auta
Akce
Články
Úpravy
Galerie
Diskuze
E-shop
Inzerce
Katalogy
ddd
Auta
Akce
Články
Úpravy
Galerie
Diskuze
Eshop
Inzerce
Katalogy
Načítám obsah...
Vyhledávání
Peníze v banku
591 Kč
Co je to bank a jak čerpat?
Menu
E-shop Škodateam
O nás
(9)
Jak na náš web?
(5)
Naši sponzoři
Novinky
Akce Škoda
(8)
Vaše vozy
(14)
Úpravy
(6)
Články
(15)
Bazar
Diskuze
Odkazovník
Naše aplikace
(6)
Škoda RACERS
Foto Tip
Hlasování Dívka Škodateamu 2012
WebShop Tip
Sací nátrubek AL pro Weber 40 DCOE
Prodejce:
Daves
Cena od:
374 Kč
Vybrat parametry
Naše projekty
www.skodateam.cz
dumsnu.skodateam.cz
vysivky.skodateam.cz
Navigace
>>
Domů
-
Naše aplikace
>
Online katalog
<<
Autor:
Daves
(Administrátor)
Vytvořeno: 22.05.2013 - Změněno: 04.07.2013
Online katalog
<< Zpět na výběr katalogu
|
Poslat známému odkaz na tuto stránku katalogu:
Oblast:
WEBER
DELLORTO
Kategorie:
45 DCOE 152
48 IDA
32/36 DGV 5A
34 ICT
40 DCNF
40 IDF 70
44 IDF 71
50 DCO
38 DCN
38 DGAS/DGES
40 DCN
40 DCNL
40 DCZ
40 DFAV
40 IDA 3C
28/32 ADHA
28/36 DCD
30 DICA
32 ADFA
32 DCOF
32 DIR 38
32/34 DFT
32/36 DGAV/DGEV
32/36 DFAV/DFEV
34 DMTR 21
34 ICH
36 DCD
40 DCOE early type
28 ICP
28 IMB
30 DGS
32 DMSA
32 DMTR 20
26 IMB
32/36 DGAV 4
34 IMPE
40 DCOE late type
34 IBP
32 DCOF 2
32 DCOF 6
35 DCNL 2/3
40 DCOM 6/7
36 IDF 44/45
48 DCOE 98/99
42 DCNF 2
24/32 DDC
28/36 DLE
48 DCO SP
32/34 DMTL
40 DFI
36 DCS
36 DCNVA 6
36 DCNVA 16
34 ADM 0
38 DCNL 5
58 DCO 3
42 DCOE 8
46 IDA 3C
40 DCO 3
40 IDF 13/15
38 DCOE 59/60
45 DCOE early
40 DCM
45 DFC 1
24/30 DCZC 1
28/36 DM A1
36 ADL 1/250
44 IDF 40/41
34 DMTR 39
22 IM
26 DTR
26 OC 10
32 OF
40 DFO
32 IBA 20
40 DCOE emission model
48 IDF 6
<<
>>
Hledat číslo nebo název
:
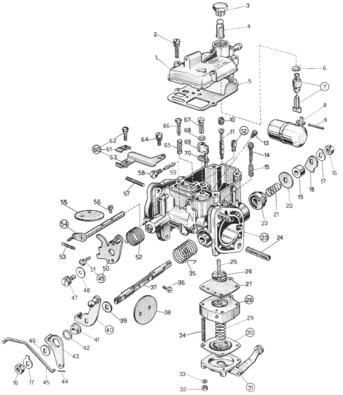
Id
Číslo
Ks
Název
1
31736.002
1
Coperchio carburatore
2
64700.005
4
Vite fissaggio coperchio
3
61002.018
1
Tappo filtro
4
37022.002
1
Elemento filtrante
5
41715.004
1
Guarnizione per coperchio
6
41535.015
1
Guarnizione
7
64240.008
1
Valvola a spillo
8
41015.011
1
Galleggiante
9
52000.010
1
Perno fulcro
10
41360.001
1
Getto aria di freno
11
61440.166
1
Tubetto emulsionatore
12
64290.001
1
Valvola aspirazione pompa
13
41120.001
1
Getto principale
14
64750.001
1
Vite registro minimo
15
47600.007
1
Molla per vite registro minimo . .
16
34715.014
2
Dado per alberino
17
55520.002
2
Rosetta di sicurezza
18
14850.029
1
Camma comando pompa
19
12750.040
1
Boccola distanziale
20
55555.008
1
Rosetta di rasamento per otturatore
21
47600.027
1
Molla per otturatore
22
50002.003
1
Otturatore
23
1
Corpo carburatore
24
64955.201
2
Vite prigioniera
25
47600.023
1
Molla per valvola mandata pompa
26
64190.005
1
Valvola a piattello mandata pompa
27
47405.012
1
Membrana per valvola mandata pompa
28
39174.003
1
Flangia per pompa
29
47600.028
1
Molla per membrana pompa
30
47407.012
1
Membrana pompa
31
32486.011
1
Coperchio pompa
32
34705.002
4
Dado di fissaggio
33
55525.007
4
Rosetta elastica
34
64955.017
4
Vite prigioniera
35
47610.013
1
Molla richiamo alberino
36
64520.023
2
Vite fissaggio farfalla
37
10000.415
1
Alberino principale
37
10001.445
1
Alberino principale maggiorato
38
64005.092
1
Valvola a farfalla
39
55555.016
1
Rosetta di rasamento
40
45034.023
1
Leva comando farfalla
41
12775.027
1
Boccola per leva minimo veloce
42
55530 002
1
Rosetta di frizione
43
45032.038
1
Leva comando minimo veloce
44
32610.005
1
Copiglia per tirantino
45
61280.032
1
Tirantino comando minimo veloce
46
55555.003
1
Rosetta di rasamento
47
64700.012
1
Vito fissaggio leva
48
55510.002
1
Rosetta di rasamento
49
45202.002
1
Leva comando avviamento completa di
50
45202.001
1
— Leva
51
64615.004
1
— Vite ferma filo
52
47610.058
1
Molla richiamo leva
53
47605.023
1
Molla per dispositivo avviamento
54
10015.212
1
Alberino per valvola avviamento
55
64005.009
1
Farfalla avviamento
56
64525.003
2
Vite fissaggio farfalla avviamento
57
64955.103
3
Vite prigioniera
58
52570.005
1
Portagetto minimo
59
41160.003
1
Getto minimo
60
58702.004
1
Supporto guaina completo di :
61
52145.001
1
— Piastrina fissaggio guaina
62
64615.007
1
— Vite fissaggio piastrina
63
58700.001
1
— Supporto guaina
64
64700.012
1
Vite fissaggio supporto guaina
65
47600.007
1
Molla per vite registro valvola a farfalla
66
64625.007
1
Vite registro valvola a farfalla
67
64890.003
1
Vite fissaggio getto pompa
68
41530.012
1
Guarnizione per vite fissaggio getto pompa
69
41254.005
1
Getto pompa
70
41640.033
1
Guarnizione per getto pompa
Odkaz na náš katalog užitečných kontaktů - klikni zde
>
|
|
[
Odeslat známému
|
Verze pro tisk
]
Online pokec
[
větší okno
menší okno
]
Načítám zprávy...
Načítám uživatele...
(255)
Všem
Copyright 2001-2025
Výňatky z webu mohou být použity pouze v případě uvedení zdroje - www.skodateam.cz
Provozovatel srazů a www stránek :
eRman - Roman Schavel,
tel: 603569053, email:
pošli email
Redakce a správa obsahu :
Tadeáška - Tereza Spilková,
email:
pošli email
Programování a správa www stránek :
Daves - David Spilka,
email:
pošli email
Tato stránka není oficiálním webem Škoda Auto a.s.
Partneři ŠKODATEAMU
Výměna oleje v automatu
Výměna oleje v automatické převodovce. Ceník pro vozy Škoda.
Google search
Nenašli jste na těchto stránkách co jste hledali ? Zkuste Google...
Zadejte své vyhledávací termíny
Odeslat vyhledávací formuláře
Přihlášení
Jméno:
Heslo:
Vždy přihlásit:
Zapomněl jsem heslo
Chci se zaregistrovat
Kalendář akcí
<<
Prosinec 2025
>>
Po
Út
St
Čt
Pá
So
Ne
1
2
3
4
5
6
7
8
9
10
11
12
13
14
15
16
17
18
19
20
21
22
23
24
25
26
27
28
29
30
31
Přidat akci
Statistika
Právě prohlíží:
762
Právě přihlášeno:
1
Dnes návštěv:
45857
Celkem návštěv:
240682249
Článků:
1016
Fotografií:
34867
Komentářů:
17423
Uživatelů:
4483