ddd
Načítám obsah...



Vyhledávání
Peníze v banku
591 Kč
Co je to bank a jak čerpat?
Menu
Foto Tip
!Máňa 120S

Máňa 120S

WebShop Tip
Šroub pro víka karburátoru Weber DCOE delší
Šroub pro víka karburátoru Weber DCOE delší
Prodejce: Daves

14 Kč


Skladem
kusů:
Naše projekty
www.skodateam.cz
dumsnu.skodateam.cz
vysivky.skodateam.cz
Navigace

>> 

Domů

-

Naše aplikace

>

Online katalog

 <<



Autor:
152170+2832 (1674021)Daves (Administrátor)
      
Vytvořeno: 22.05.2013 - Změněno: 04.07.2013

Online katalog



<< Zpět na výběr katalogu  |  Poslat známému odkaz na tuto stránku katalogu: 
Oblast:Kategorie:Hledat číslo nebo název:

IdČísloKsNázev
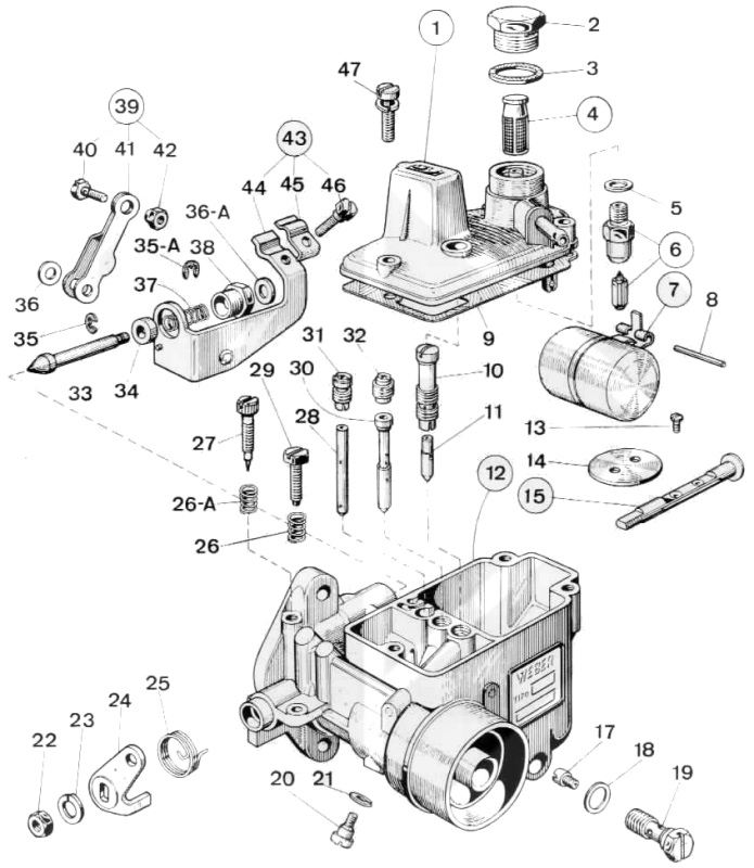
131736.0011Coperchio carburatore
261002.0101Tappo per filtro
341530.0241Guarnizione per tappo filtro
437022.0021Elemento filtrante
541535.0151Guarnizione per valvola a spillo
664235.9051Valvola a spillo
741015.0021Galleggiante
852000.0101Perno fulcro galleggiante
941715.0081Guarnizione per coperchio carburatore
1052585.0011Portagetto del minimo
1141165.0581Getto del minimo
12-1Corpo carburatore
1364570.0052Vite fissaggio valvola a farfalla
1464005.0161Valvola a farfalla
1510015.4251Alberino porta farfalla
1510016.4161Alberino porta farfalla maggiorato
1741120.0011Getto princluale
1841540.0011Guarnizione per portagetto principale
1952590.0011Portagetto principale
2064895.0061Vite fissaggio centratore
2155525.0071Rosetta elastica
2234705.0041Dado fissaggio leva comando farfalla
2355525.0021Rosetta elastica
2445032.0191Leva comando farfalla
2547610.0061Molla richiamo leva comando farfalla
2647600.0841Molla per vite registro farfalla
26A47600.0071Molla per vite registro miscela minimo
2764755.0091Vito registro miscela minimo
2841200.1021Getto avviamento
2964625.0021Vite registro farfalla
3061440.3211Tubetto emulsionatore
3141370.0051Getto aria di freno avviamento
3241360.0011Getto aria di freno tubetto emulsionatore
3364370.0031Valvola avviamento
3412750.0471Boccola per valvola avviamento
3510140.5021Anello elastico per valvoto avviamento
35A10140.5021Anello elastico per perno leva avviamento
3655510.0361Rosetta per perno leva avviamento
36A55510.0361Rosetta per valvola avviamento
3747600.0191Molla per valvola avviamento
3864880.0041Raccordo guida valvola avviamento
3945062 0031Leva comando valvola avviamento completa di
4064800.0021— Vite fissaggio filo
4145062.0021Leva
4234720.0021— Dado per vite fissaggio filo
4358702.0021Supporto guaina completo di
4458702.0031Supporto guaina
4552145.0011Piastrina fissaggio guaina
4664615.0071— Vito fissaggio guaina
4764700.0053Vite fissaggio coperchio carburatore


Odkaz na náš katalog užitečných kontaktů - klikni zde


| |

[ Odeslat známému | Verze pro tisk ]
 Online pokec[ větší okno ]  
Načítám zprávy...
Načítám uživatele...
(255)
 
Copyright 2001-2025
Výňatky z webu mohou být použity pouze v případě uvedení zdroje - www.skodateam.cz


Provozovatel srazů a www stránek :
eRman - Roman Schavel,
tel: 603569053, email: pošli email

Redakce a správa obsahu :
Tadeáška - Tereza Spilková,
email: pošli email

Programování a správa www stránek :
Daves - David Spilka,
email: pošli email

Tato stránka není oficiálním webem Škoda Auto a.s.

Partneři ŠKODATEAMU
Výměna oleje v automatu

Výměna oleje v automatické převodovce. Ceník pro vozy Škoda.


Google search

Nenašli jste na těchto stránkách co jste hledali ? Zkuste Google...

Google
Přihlášení
Jméno:
Heslo:
Vždy přihlásit: 



Zapomněl jsem heslo
Chci se zaregistrovat
Kalendář akcí
<< Prosinec 2025 >>
PoÚtStČtSoNe
1234567
891011121314
15161718192021
22232425262728
293031 
Přidat akci
Statistika
Právě prohlíží:1213
Právě přihlášeno:0
Dnes návštěv:37257
Celkem návštěv:240673649

Článků:1016
Fotografií:34867
Komentářů:17423
Uživatelů:4483