ddd
Načítám obsah...



Vyhledávání
Peníze v banku
591 Kč
Co je to bank a jak čerpat?
Menu
Foto Tip
!Kreslené vozy

Kreslené vozy

WebShop Tip
Naše projekty
www.skodateam.cz
dumsnu.skodateam.cz
vysivky.skodateam.cz
Navigace

>> 

Domů

-

Naše aplikace

>

Online katalog

 <<



Autor:
152170+2832 (1674021)Daves (Administrátor)
      
Vytvořeno: 22.05.2013 - Změněno: 04.07.2013

Online katalog



<< Zpět na výběr katalogu  |  Poslat známému odkaz na tuto stránku katalogu: 
Oblast:Kategorie:Hledat číslo nebo název:

IdČísloKsNázev
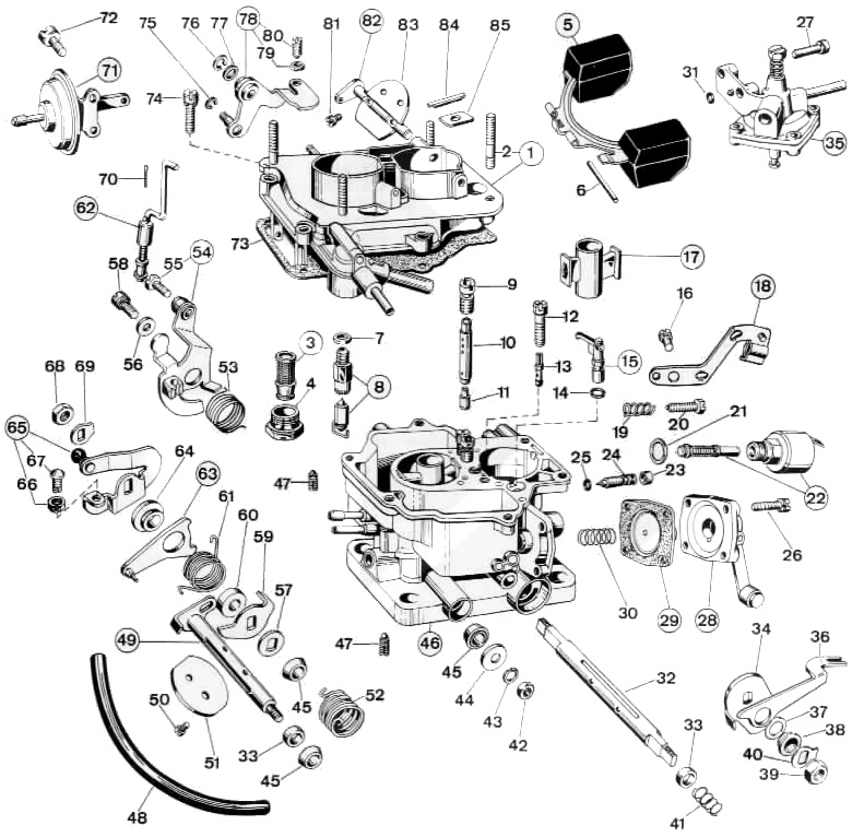
131716.2171Coperchio carburatore completo di
264955.0074- Vite prigioniera
337022.0021Elemento filtrante
461002.0181Tappo ispezione filtro
541030.0121Galleggiante
652000.0361Perno fulcro galleggiante
783102.0701Guarnizione per valvola a spillo
879507.1751Valvola a spillo
977501.2251Getto aria di freno primario
977501.1901Getto aria di freno secondario
1061450.2211Tubetto emulsionatore primario .
1061450.2251Tubetto emulsionatore secondario
1173405.1151Getto principale primario
1173405.1301Getto principale secondarlo
1252570.0042Portagetto del minimo
1374403.0501Getto minimo primario .
1374403.0501Getto minimo secondario
1441565.0011Guarnizione per getto pompa
1576407.0451Getto pompa
1664700.0121Vite fissaggio supporto guaina
1771115.4001Centratore primario
1771115.4001Centratore secondario
1858702.0451Supporto guaina
1947600.0071Molla per vite registro farfalla primaria
2064625.0121Vite registro farfalla primaria
2141535.0031Guarnizione per intercettatore
2243840.0131Dispositivo intercettatore
2361075.0141Tappo per mimmo inviolabile
2464750.0521Vite registro mimmo
2541565.0101Guarnizione per vite registro minimo
2664700.0064Vite fissaggio coperchio pompa
2764700.0112Vite fissaggio capsula minimo accelerato
2832486.0471Coperchio pompa
2947407.0501Membrana pompa
3047600.1071Molla caricamento pompa
3141565.0081Guarnizione per capsula minimo accelerato
3210000.2611Alberino principale primario
3312750.0852Boccola di tenuta per alberini
3414850.0941Camma comando pompa
3531800.0321Capsula minimo accelerato
3645067.0621Leva comando minimo accelerato
3755530.0021Rosetta di frizione per leva comando min. accel
3812775.0421Boccola per leva comando minimo accelerato
3934710.0031Dado fissaggio alberino primario
4055520.0041Rosetta di sicurezza
4147600.0271Molla premi boccola di tenuta
4234705.0011Dado fissaggio alberino secondarlo
4355525.0011Rosetta elastica per alberino secondario
4455510.0811Rosetta di rasamento per alberino secondario
4541575.0103Guarnizione per alberini
46-1Corpo carburatore
4764595.0132Vite registro farfalla secondaria e leva sgolfamento
4861400.0121Tubo comando depressione sgolfamento.
4910015.2551Alberino principale secondario
5064520.0274Vite fissaggio farfalle
5164005.0182Valvola a farfalla
5247610.0911Molla richiamo alberini
5347610.0581Molla richiamo leva avviamento
5445202.1351Leva comando avviamento completa di
5564615.0041- Vite fissaggio filo
5655510.0021Rosetta di rasamento per leva avviamento
5755555.0191Rosetta di rasamento per alberino primario
5864700.0121Vite fissaggio leva avviamento
5945136.0521Leva di comando per alberino primario
6012750.0871Boccola guida molla alberino primario
6147610.1091Molla richiamo leva allentata
6261287.0301Tirantino comando avviamento
6345069.0151Leva allentata
6412775.0531Boccola per leva allentata
6545041.1181Leva comando farfalle completa di
6634715.0061- Dado per vite registro
6764595.0091- Vite registro minimo veloce
6834715.0141Dado fissaggio alberino primario
6955520.0021Rosetta di sicurezza
7032610.0051Copiglia per tirantino
7157804.2621Dispositivo sgolfamento
7264700.0122Vite fissaggio dispositivo sgolfamento
7341705.0391Guarnizione per coperchio carburatore
7464700.0056Vite fissaggio coperchio carburatore
7510140.5011Anello di sicurezza per asta sgolfamento
7610140.5021Anello di sicurezza per leva sgolfamento
7755510.0341Rosetta per leva sgolfamento
7845069.0471Leva comando sgolfamento completa di
7934715.0161- Dado per vite di registro
8064595.0071- Vite di registro
8164525.0032Vite fissaggio farfalla avviamento
8210015.2711Alberino avviamento
8364010.0331Valvola a farfalla avviamento
8461070.0021Tappo riparo polvere
8552135.0101Piastrina riparo polvere


Odkaz na náš katalog užitečných kontaktů - klikni zde


| |

[ Odeslat známému | Verze pro tisk ]
 Online pokec[ větší okno ]  
Načítám zprávy...
Načítám uživatele...
(255)
 
Copyright 2001-2025
Výňatky z webu mohou být použity pouze v případě uvedení zdroje - www.skodateam.cz


Provozovatel srazů a www stránek :
eRman - Roman Schavel,
tel: 603569053, email: pošli email

Redakce a správa obsahu :
Tadeáška - Tereza Spilková,
email: pošli email

Programování a správa www stránek :
Daves - David Spilka,
email: pošli email

Tato stránka není oficiálním webem Škoda Auto a.s.

Partneři ŠKODATEAMU
Výměna oleje v automatu

Výměna oleje v automatické převodovce. Ceník pro vozy Škoda.


Google search

Nenašli jste na těchto stránkách co jste hledali ? Zkuste Google...

Google
Přihlášení
Jméno:
Heslo:
Vždy přihlásit: 



Zapomněl jsem heslo
Chci se zaregistrovat
Kalendář akcí
<< Prosinec 2025 >>
PoÚtStČtSoNe
1234567
891011121314
15161718192021
22232425262728
293031 
Přidat akci
Statistika
Právě prohlíží:753
Právě přihlášeno:0
Dnes návštěv:8854
Celkem návštěv:240645246

Článků:1016
Fotografií:34867
Komentářů:17423
Uživatelů:4483