ddd
Načítám obsah...



Vyhledávání
Peníze v banku
591 Kč
Co je to bank a jak čerpat?
Menu
Foto Tip
!Posrazovka Jaro 2006 čili žáby v akci

Posrazovka Jaro 2006 čili žáby v akci

WebShop Tip
Těsnění víka páky Weber 40/45 DCOE
Těsnění víka páky Weber 40/45 DCOE
Prodejce: Daves

16 Kč


Skladem
kusů:
Naše projekty
www.skodateam.cz
dumsnu.skodateam.cz
vysivky.skodateam.cz
Navigace

>> 

Domů

-

Naše aplikace

>

Online katalog

 <<



Autor:
152147+2832 (1673773)Daves (Administrátor)
      
Vytvořeno: 22.05.2013 - Změněno: 04.07.2013

Online katalog



<< Zpět na výběr katalogu  |  Poslat známému odkaz na tuto stránku katalogu: 
Oblast:Kategorie:Hledat číslo nebo název:

IdČísloKsNázev
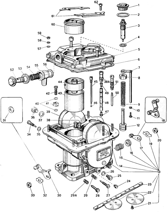
1TS 7151Needle valve seat inspection tap
2G 971Gasket, needle valve inspection tap
3TS 1407a1Needle valva seat
42331Gasket for needle valve seat
53291a1Carburetor cover
6TS 6731Gasket for carburetor cover
75381a1Pump control shaft
6TS 5041Retainer pump piston spring
928801Pump piston spring
1053831Nut for adjusting screw
1153821Adjusting screw
12TS 6311Pump piston
13TS 676a1Carburetor body, complete including:
1413666— Stud bolt securing carburetor cover
15TS 5491— Shaft return spring
1621671— Spring washer
175387a1— Pump control lever for right side carburetor
185390a1— Throttles and pump control lever for left side carburetor
1924641— Lock washer
208651— Fixing nut
2137184— Throttle fixing screw
22TS 5552— Throttle
23TS 8791- Throttle shaft
24TS 6252Transition holes inspection screw
25TS 8771Float bowl exhaust screw plug
261791Gasket for screw plug
27TS 5752Idling mixture adjusting screw
289701Throttles adjusting screw
29382Spring idling mixture adjusting screw
29A381Spring throttles adjusting screw
305285a1Throttles control lever for right side carburetor
3141Distance washer for left side carburetor
3224641Lock washer
338651Fixing nut
34TS 8292Float fulcrum screw
353522Gasket for float fulcrum screws
3653791Fuel level inspection plug
3753931Gasket for screw plug
38TS8681Emulsioning tube holder
38ATS 8681Emulsioning tube holder
39TS 877a1Float
4015202Gasket, pump jet
4138311Pump jet
42TS 991a1Pump delivery valve
43TS 8662Choke
44TS 837a2Auxiliary Venturi
45TS 8801Ball stop screw for intake valve
4675718all pump intake valve
47TS 1952Main iet
48TS 6712Emulsioning tube
499692Emulsion tube air corrector jet
50TS 10072Idling jet
51TS 11572Idting jet holder
5216821Screw securing fuel filter casing
532351Gasket for fuel filter casing
54241a1Strainer
55F 231Fuel filter casing
562361Gasket for fuel filter casing
5713566Washer for cover fixing screw
58416Spring washer for carburetor cover fixing nut
593406Carburetor cover fixing nut
60TS 8742Auxiliary Venturi extension pipe
61TS 8782Plate securing extension pipes
62TS 8194Screw for securing plates


Odkaz na náš katalog užitečných kontaktů - klikni zde


| |

[ Odeslat známému | Verze pro tisk ]
 Online pokec[ větší okno ]  
Načítám zprávy...
Načítám uživatele...
(255)
 
Copyright 2001-2025
Výňatky z webu mohou být použity pouze v případě uvedení zdroje - www.skodateam.cz


Provozovatel srazů a www stránek :
eRman - Roman Schavel,
tel: 603569053, email: pošli email

Redakce a správa obsahu :
Tadeáška - Tereza Spilková,
email: pošli email

Programování a správa www stránek :
Daves - David Spilka,
email: pošli email

Tato stránka není oficiálním webem Škoda Auto a.s.

Partneři ŠKODATEAMU
Výměna oleje v automatu

Výměna oleje v automatické převodovce. Ceník pro vozy Škoda.


Google search

Nenašli jste na těchto stránkách co jste hledali ? Zkuste Google...

Google
Přihlášení
Jméno:
Heslo:
Vždy přihlásit: 



Zapomněl jsem heslo
Chci se zaregistrovat
Kalendář akcí
<< Prosinec 2025 >>
PoÚtStČtSoNe
1234567
891011121314
15161718192021
22232425262728
293031 
Přidat akci
Statistika
Právě prohlíží:784
Právě přihlášeno:2
Dnes návštěv:73065
Celkem návštěv:240588365

Článků:1016
Fotografií:34867
Komentářů:17423
Uživatelů:4483