ddd
Načítám obsah...



Vyhledávání
Peníze v banku
602 Kč
Co je to bank a jak čerpat?
Menu
Foto Tip
!Gapovo Felda

Gapovo Felda

WebShop Tip
Kloubek s kuličkou 8mm
Kloubek s kuličkou 8mm
Prodejce: Daves

59 Kč


Skladem
kusů:
Naše projekty
www.skodateam.cz
dumsnu.skodateam.cz
vysivky.skodateam.cz
Navigace

>> 

Domů

-

Naše aplikace

>

Online katalog

 <<



Autor:
153120+2832 (1684281)Daves (Administrátor)
      
Vytvořeno: 22.05.2013 - Změněno: 04.07.2013

Online katalog



<< Zpět na výběr katalogu  |  Poslat známému odkaz na tuto stránku katalogu: 
Oblast:Kategorie:Hledat číslo nebo název:

IdČísloKsNázev
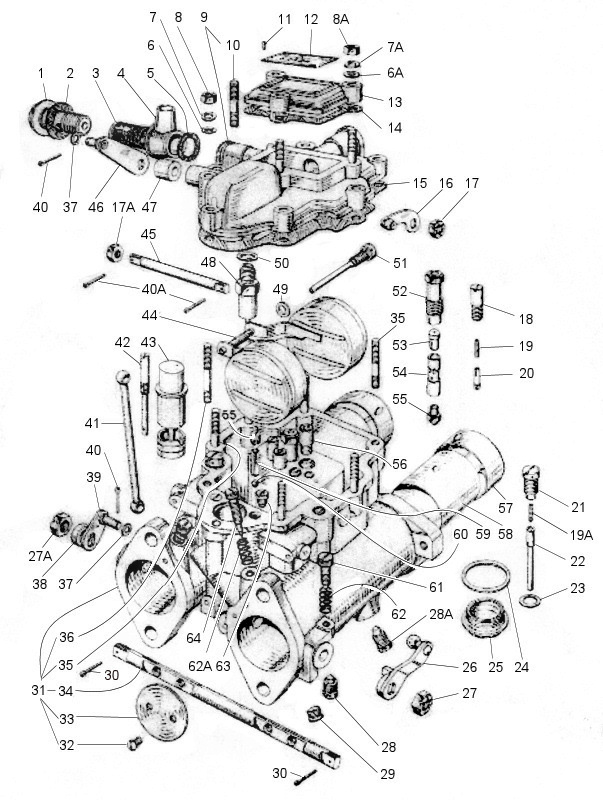
130621Tappo raccordo porta filtro
22351Guarnizione per corpo filtro
3241a1Reticella filtrante completa
4F 231Corpo filtro
52361Guarnizione per corpo filtro
613567Rosetta per dado fissaggio coperchio carburatore
6A13563Rosetta per dado fissaggio coperchietto ispezione getti
7417Rosetta elastica per dado fissaggio coperchio carburatore
7A413Rosetta elastica per dado fissaggio coperchietto ispezione getti
8517Dado fissaggio coperchio carburatore
8A513Dado fissaggio coperchietto ispezione getti
9TS 1216a3Coperchio carburatore completo comprendente:
1013663— Vite prigioniera fissaggio coperchietto ispezione getti
115174Chiodo fissaggio targhetta carburatore
12TS 7651Targhetta per carburatore
13TS 7121Copeichietlo ispezione getti
14TS 7171Guarnizione per coperchietto ispezione getti
15TS 7181Guarnizione per coperchio carburatore
16TS 734a1Leva interna comando pompa completa
17TS 521Dado fissaggio leva interna comando pompa
17ATS 521Dado esterno fissaggio leva comando pompa
188182Portagetto del minimo
198172Molta per getto del minimo
19A8172Molla per getto pompa
208202Getto del mimmo
21TS 7232Portagetto pompa
22TS 7072Getto pompa
23TS 7242Guarnizione per portagetto pompa
24G 971Guarnizione per tappo scarico vaschetta
25TS 7151Tappo scarico vaschetta
26TS 1213a1Leva comando valvole a farfalla completa
27TS 971Dado fissaggio leva comando valvole a farfalla
27ATS 971Dadu fissaggio leva principale comando pompa
28TS 12222Vite fissaggio diffusore
28TS 12222Vite fissaggio centratore
29TS 2402Vite ispezione fori di progressione
301332Copiglia spaccata ritegno dado per alberino porta valvole a farfalla
31-1Corpo carburatore
3237184Vite fissaggio valvole a farfalla
33TS 7662Valvola a farfalla
34TS 7261Alberino porta valvole a farfalla
35A 3336Vite prigioniera fissaggio coperchio carburatore
36TS 7141Vite prigioniera fissaggio coperchio carburatore
37TS 2442Rosetta per tirante comando pompa
38TS 7291Boccola distanziale per alberino porta valvole a farfalla
39TS 750a1Leva principale comando pompa completa
403242Copiglia spaccata per tirante comando pompa
40A3242Copiglia spaccata ritegno dado alberino comando pompa
41TS 7211Tirante comando pompa
4239161Vite scarico pompa
43TS 739a1Start tulio pompa completo
44TS 752a1Galleggiante completo
45TS 7271Alberino comando pompa
46TS 747a1Leva esterna comando pompa completa
47TS 7251Buccola distanziale per alberino comando pompa
48TS 664a1Valvola a spillo completa
4919371Guarnizione per vite fulcro galleggiante
50TS 6881Guarnizione per valvola a spillo
51TS 744a1Vite fulcro galleggiante completa
52TS 6702Porta pozzetto di emulsione
539692Getto aria di freno
54TS 12112Tubetto emulsionatore
55TS 1952Getto principale
56TS 7132Getto aria minimo
57TS 7742Centratore di miscela
58TS 7592Diffusore
59TS 10332Premisfera per valvola alta velocita
607562Sfera per valvova alta velocita (5/32")
619701Vite registro andatura minimo
62381Molla per vite registro andatura minimo
62A382Molla per vite registro miscela minimo
63937a1Valvola di aspirazione completa
648642Vite registro miscela minimo
653372Vite per valvola alta velocita


Odkaz na náš katalog užitečných kontaktů - klikni zde


| |

[ Odeslat známému | Verze pro tisk ]
 Online pokec[ větší okno ]  
Načítám zprávy...
Načítám uživatele...
(255)
 
Copyright 2001-2026
Výňatky z webu mohou být použity pouze v případě uvedení zdroje - www.skodateam.cz


Provozovatel srazů a www stránek :
eRman - Roman Schavel,
tel: 603569053, email: pošli email

Redakce a správa obsahu :
Tadeáška - Tereza Spilková,
email: pošli email

Programování a správa www stránek :
Daves - David Spilka,
email: pošli email

Tato stránka není oficiálním webem Škoda Auto a.s.

Partneři ŠKODATEAMU
Výměna oleje v automatu

Výměna oleje v automatické převodovce. Ceník pro vozy Škoda.


Google search

Nenašli jste na těchto stránkách co jste hledali ? Zkuste Google...

Google
Přihlášení
Jméno:
Heslo:
Vždy přihlásit: 



Zapomněl jsem heslo
Chci se zaregistrovat
Kalendář akcí
<< Březen 2026 >>
PoÚtStČtSoNe
 1
2345678
9101112131415
16171819202122
23242526272829
3031 
Přidat akci
Statistika
Právě prohlíží:738
Právě přihlášeno:1
Dnes návštěv:75245
Celkem návštěv:249159341

Článků:1017
Fotografií:34884
Komentářů:17427
Uživatelů:4490