ddd
Načítám obsah...



Vyhledávání
Peníze v banku
591 Kč
Co je to bank a jak čerpat?
Menu
Foto Tip
!Fotogalerie 12. Rally ples 2018

Fotogalerie 12. Rally ples 2018

WebShop Tip
Těsnění pod víko pro Weber DCOE universal
Těsnění pod víko pro Weber DCOE
Prodejce: Daves

63 Kč


Skladem
kusů:
Naše projekty
www.skodateam.cz
dumsnu.skodateam.cz
vysivky.skodateam.cz
Navigace

>> 

Domů

-

Naše aplikace

>

Online katalog

 <<



Autor:
152147+2832 (1673773)Daves (Administrátor)
      
Vytvořeno: 22.05.2013 - Změněno: 04.07.2013

Online katalog



<< Zpět na výběr katalogu  |  Poslat známému odkaz na tuto stránku katalogu: 
Oblast:Kategorie:Hledat číslo nebo název:

IdČísloKsNázev
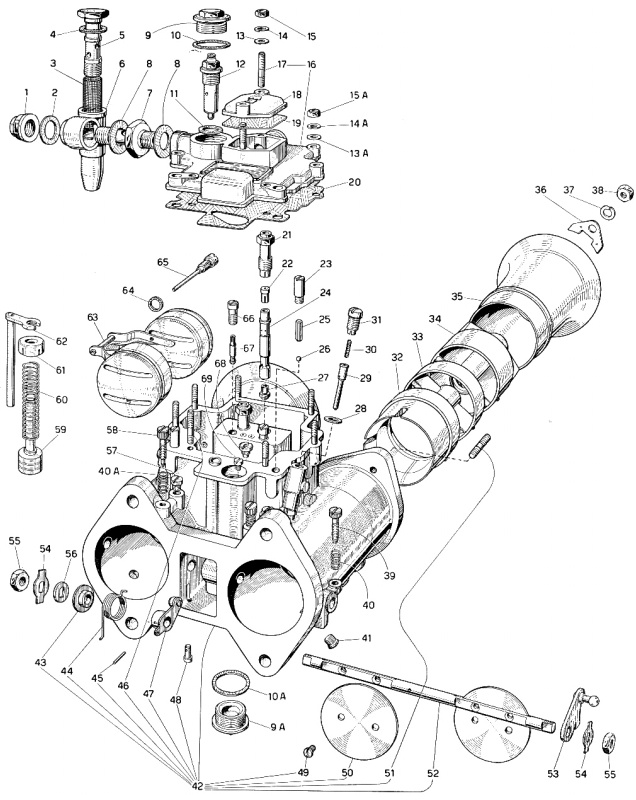
1TS 5981Box nut for fuel filter casing
22361Gasket for fuel filter casing
3TS 6001Strainer
4TS 6101Gasket for tap
5TS 6091Strainer plug
6F 541Fuel filter casing
7TS 5971Connection for fuel filter casing
82352Gasket for connection
9TS 7151Needle valve seat inspection tap
9ATS 7151Float bowl exhaust screw plug
10G 971Gasket for needle valve seat inspection tap
10AG 971Gasket for bowl exhaust screw plug
112331Gasket for needle valve seat
12TS 1407a/m1Needle valve seat
1313562Vasher for carburetor small lid fixing nut
13A13567Washer for carburetor cover fixing nut
14412Spring washer for carburetor small lid fixing nut
14A417Spring washer for carburetor cover fixing nut
15512Carburetor small lid fixing nut
15A517Carburetor cover fixing nut
16TS 922a1Carburetor cover, including:
1713662— Stud bolt securing small lid
18TS 9231Small lid for jets inspection
19TS 9271Gasket for small lid
20TS 9281Gasket for carburetor cover
21TS 6702Emulsioning tube holder
229692Emulsion tube air corrector jet
23TS 10322Screw for stuffing ball
24TS 6712Emulsioning tube
25TS 10332Stuffing ball for high speed valve
267562Ball for high speed valve
27TS 1952Main jet
28TS 7242Gasket for pump jet
29TS 2512Pump jet
308172Spring for pump jet
31TS 7232Pump jet holder
32TS 1418a2Choke
33TS 1146a2Auxiliary venturi
34TS 1149a2Auxiliary venturi extension pipe
35TS 1142a2Additional air horn
36TS 9304Plate securing air horn
37N 744Spring washer for carburettor airhornfixing nut
38A 4584Nut securing air horn
399701Idling adjusting screw
40381Spring for idling adjusting screw
40A382Spring for idle mixture adjusting screw
41TS 2402Tapping screw for inspection holes
421Carburetor body (not supplied) including:
43TS 11781— Washer for spring
44TS 11761— Throttle return spring
4513491— Spring pin
46A 3337— Stud bolt securing carburetor cover
47TS 945a1— Pump control lever
48TS 11771— Spring retainer
497674— Throttles fixing screw
50TS 11412— Throttle valve
51TS 10314— Stud bolt securing air horn
52TS 14201— Throttles shaft
53LP 187a1Throttles control lever
5424642Lock washer with double tab
558652Fixing nut
5661Distance v/asher
57TS 6252Transition holes inspection screw
588642Idle mixture adjusting screw
59TS 8311Pump piston
60TS 5051Pump piston spring
61TS 5041Retainer for pump piston spring
62TS 1152a1Pump control shaft
63TS 752a1Float
6419371Gasket for float fulcrum scre
65TS 744a1Float fulcrum screw
66TS 8642Idling jet holder
67TS 8652Idling jet
68937a1Pump intake valve
69TS 5101Pump discharge screw


Odkaz na náš katalog užitečných kontaktů - klikni zde


| |

[ Odeslat známému | Verze pro tisk ]
 Online pokec[ větší okno ]  
Načítám zprávy...
Načítám uživatele...
(255)
 
Copyright 2001-2025
Výňatky z webu mohou být použity pouze v případě uvedení zdroje - www.skodateam.cz


Provozovatel srazů a www stránek :
eRman - Roman Schavel,
tel: 603569053, email: pošli email

Redakce a správa obsahu :
Tadeáška - Tereza Spilková,
email: pošli email

Programování a správa www stránek :
Daves - David Spilka,
email: pošli email

Tato stránka není oficiálním webem Škoda Auto a.s.

Partneři ŠKODATEAMU
Výměna oleje v automatu

Výměna oleje v automatické převodovce. Ceník pro vozy Škoda.


Google search

Nenašli jste na těchto stránkách co jste hledali ? Zkuste Google...

Google
Přihlášení
Jméno:
Heslo:
Vždy přihlásit: 



Zapomněl jsem heslo
Chci se zaregistrovat
Kalendář akcí
<< Prosinec 2025 >>
PoÚtStČtSoNe
1234567
891011121314
15161718192021
22232425262728
293031 
Přidat akci
Statistika
Právě prohlíží:1412
Právě přihlášeno:0
Dnes návštěv:16021
Celkem návštěv:240531321

Článků:1016
Fotografií:34867
Komentářů:17423
Uživatelů:4483