-
Přidat do oblíbených
-
Switch to English
škoda quickbar >>
skoda-tuning.cz
|
skoda110r.cz
|
skoda110r.com
|
skoda.daves.cz
|
skoda-virt.cz
|
techweb
Auta
Akce
Články
Úpravy
Galerie
Diskuze
E-shop
Inzerce
Katalogy
ddd
Auta
Akce
Články
Úpravy
Galerie
Diskuze
Eshop
Inzerce
Katalogy
Načítám obsah...
Vyhledávání
Peníze v banku
602 Kč
Co je to bank a jak čerpat?
Menu
E-shop Škodateam
O nás
(9)
Jak na náš web?
(5)
Naši sponzoři
Novinky
Akce Škoda
(8)
Vaše vozy
(14)
Úpravy
(6)
Články
(15)
Bazar
Diskuze
Odkazovník
Naše aplikace
(6)
Škoda RACERS
Foto Tip
moto girls - od 18 ....
WebShop Tip
Sací nátrubek AL pro Weber 45 DCOE
Prodejce:
Daves
Cena od:
390 Kč
Vybrat parametry
Naše projekty
www.skodateam.cz
dumsnu.skodateam.cz
vysivky.skodateam.cz
Navigace
>>
Domů
-
Naše aplikace
>
Online katalog
<<
Autor:
Daves
(Administrátor)
Vytvořeno: 22.05.2013 - Změněno: 04.07.2013
Online katalog
<< Zpět na výběr katalogu
|
Poslat známému odkaz na tuto stránku katalogu:
Oblast:
WEBER
DELLORTO
Kategorie:
45 DCOE 152
48 IDA
32/36 DGV 5A
34 ICT
40 DCNF
40 IDF 70
44 IDF 71
50 DCO
38 DCN
38 DGAS/DGES
40 DCN
40 DCNL
40 DCZ
40 DFAV
40 IDA 3C
28/32 ADHA
28/36 DCD
30 DICA
32 ADFA
32 DCOF
32 DIR 38
32/34 DFT
32/36 DGAV/DGEV
32/36 DFAV/DFEV
34 DMTR 21
34 ICH
36 DCD
40 DCOE early type
28 ICP
28 IMB
30 DGS
32 DMSA
32 DMTR 20
26 IMB
32/36 DGAV 4
34 IMPE
40 DCOE late type
34 IBP
32 DCOF 2
32 DCOF 6
35 DCNL 2/3
40 DCOM 6/7
36 IDF 44/45
48 DCOE 98/99
42 DCNF 2
24/32 DDC
28/36 DLE
48 DCO SP
32/34 DMTL
40 DFI
36 DCS
36 DCNVA 6
36 DCNVA 16
34 ADM 0
38 DCNL 5
58 DCO 3
42 DCOE 8
46 IDA 3C
40 DCO 3
40 IDF 13/15
38 DCOE 59/60
45 DCOE early
40 DCM
45 DFC 1
24/30 DCZC 1
28/36 DM A1
36 ADL 1/250
44 IDF 40/41
34 DMTR 39
22 IM
26 DTR
26 OC 10
32 OF
40 DFO
32 IBA 20
40 DCOE emission model
48 IDF 6
<<
>>
Hledat číslo nebo název
:
Id
Číslo
Ks
Název
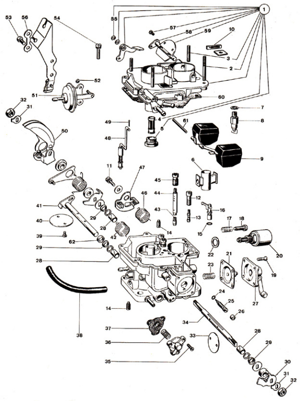
1
31716.475
Víko karburátoru
2
41705.095
Stud
3
52000.036
Stud
4
37022.002
Fuel filter
5
61002.018
Fuel filter cover
6
71115.400
Auxiliary venturi
7
83102.070
Needle Valve Gasket
8
79507.175
Needle valve
9
41030.026
Float
10
61070.002
Tappo riparapolvere
11
64700.012
Vite fulcro leva avviamento
12
52570.004
Idle jet holder
13
74403.055
Idle Jet
14
64595.013
Vite registro farfalla secondaria e leva
15
41565.001
Pump Jet O-Ring
16
76417.045
Akcelerační tryska
17
47600.007
Throttle Stop Screw Spring
18
64625.012
Throttle Stop Screw
19
64565.001
Screw
20
61015.015
Idle Cut Off Solenoid
21
47407.050
Pump Diaphragm
22
41535.003
Idle Cut Off Solenoid Gasket
23
47600.107
Pump Spring
24
41565.010
O-Ring
25
64750.052
Idle mixture Screw
26
61075.013
Idle mixture tamper proof plug
27
32486.070
Pump Cover
28
52130.010
Shaft Bushing
29
41575.010
Shaft seal
30
14850.177
Páka akcelerace
31
55520.002
Tab Washer
32
34715.014
Throttle Shaft Fixing Nut
33
64005.090
Throttle valve
34
10000.272
Throttle Shaft
35
64565.002
Screw
36
47600.244
Spring
37
47407.182
Diaphragm
38
61400.018
Tubo per comando depressione e sgolf.
39
64520.027
Screw
40
64005.018
Throttle Plate
41
10015.311
Throttle shaft
42
47610.091
Spring
43
73405.110
Main Jet
43
73405.110
Main Jet
44
61450.222
Emulzní trubice
44
61450.225
Emulzní trubice
45
77501.200
Vzdušník
45
77501.200
Emulsion tube holder with Air corrector
46
47610.058
Spring For Choke Lever
47
45202.078
Choke Lever
48
61287.030
Táhlo sytiče
49
32610.005
Split Pin For Rod
50
45041.332
Ovládací páka
51
57804.121
52
10140.501
Spring Ring
53
64700.026
54
64700.005
Vite fissaggio coperchio carburatore
55
10140.502
Spring Washer
56
55510.034
Washer
57
64525.003
Vite fissaggio farfalle avviamento
58
10015.271
59
64010.033
60
61
Osa plováku
62
Odkaz na náš katalog užitečných kontaktů - klikni zde
>
|
|
[
Odeslat známému
|
Verze pro tisk
]
Online pokec
[
větší okno
menší okno
]
Načítám zprávy...
Načítám uživatele...
(255)
Všem
Copyright 2001-2026
Výňatky z webu mohou být použity pouze v případě uvedení zdroje - www.skodateam.cz
Provozovatel srazů a www stránek :
eRman - Roman Schavel,
tel: 603569053, email:
pošli email
Redakce a správa obsahu :
Tadeáška - Tereza Spilková,
email:
pošli email
Programování a správa www stránek :
Daves - David Spilka,
email:
pošli email
Tato stránka není oficiálním webem Škoda Auto a.s.
Partneři ŠKODATEAMU
Výměna oleje v automatu
Výměna oleje v automatické převodovce. Ceník pro vozy Škoda.
Google search
Nenašli jste na těchto stránkách co jste hledali ? Zkuste Google...
Zadejte své vyhledávací termíny
Odeslat vyhledávací formuláře
Přihlášení
Jméno:
Heslo:
Vždy přihlásit:
Zapomněl jsem heslo
Chci se zaregistrovat
Kalendář akcí
<<
Březen 2026
>>
Po
Út
St
Čt
Pá
So
Ne
1
2
3
4
5
6
7
8
9
10
11
12
13
14
15
16
17
18
19
20
21
22
23
24
25
26
27
28
29
30
31
Přidat akci
Statistika
Právě prohlíží:
546
Právě přihlášeno:
1
Dnes návštěv:
3714
Celkem návštěv:
249087810
Článků:
1016
Fotografií:
34881
Komentářů:
17427
Uživatelů:
4490