-
Přidat do oblíbených
-
Switch to English
škoda quickbar >>
skoda-tuning.cz
|
skoda110r.cz
|
skoda110r.com
|
skoda.daves.cz
|
skoda-virt.cz
|
techweb
Auta
Akce
Články
Úpravy
Galerie
Diskuze
E-shop
Inzerce
Katalogy
ddd
Auta
Akce
Články
Úpravy
Galerie
Diskuze
Eshop
Inzerce
Katalogy
Načítám obsah...
Vyhledávání
Peníze v banku
591 Kč
Co je to bank a jak čerpat?
Menu
E-shop Škodateam
O nás
(9)
Jak na náš web?
(5)
Naši sponzoři
Novinky
Akce Škoda
(8)
Vaše vozy
(14)
Úpravy
(6)
Články
(15)
Bazar
Diskuze
Odkazovník
Naše aplikace
(6)
Škoda RACERS
Foto Tip
100 S.B. racing team
WebShop Tip
Emulzní trubice pro Weber DCOE IDF DCNL
Prodejce:
Daves
Cena od:
264 Kč
Vybrat parametry
Naše projekty
www.skodateam.cz
dumsnu.skodateam.cz
vysivky.skodateam.cz
Navigace
>>
Domů
-
Naše aplikace
>
Online katalog
<<
Autor:
Daves
(Administrátor)
Vytvořeno: 22.05.2013 - Změněno: 04.07.2013
Online katalog
<< Zpět na výběr katalogu
|
Poslat známému odkaz na tuto stránku katalogu:
Oblast:
Motor
Převodovka
Nápravy
Řízení
Příslušenství podvozku
Karosérie
Speciální verze
Kategorie:
Řízení (maticové) [0876 - 0786]
Řízení (hřebenové) [0881 - *]
Spojovací a řídicí tyče [0876 - 0786]
Hřídel volantu [0876 - *]
Volant a přepínač [0876 - *]
Volant a přepínač [0182 - *]
<<
>>
Hledat číslo nebo název
:
Id
Číslo
Ks
Název
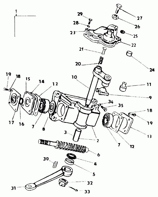
01
113-500010
1
Skřín řízení úplná
01A
113-500011
1
Skřín řízení úplná
02
110-500011
1
Skřín řízení
02A
110-500012
1
Skřín řízení
03
110-508012
1
Pouzdro
04
933-030229
1
Kroužek těsnicí 30x22, ČSN 029280.2
05
105-509652
1
Miska krycí
06
113-500100
1
Šroub řízení
06A
113-500101
1
Šroub řízení
07
960-620300
2
Ložisko 6203, ČSN 024630
08
105-509650
1
Podložka kuličkového ložiska
09
110-500121
1
Matice řízení
09A
110-500120
1
Matice řízení
10
110-500292
1
Kulisa řízení
10A
110-500293
1
Kulisa řízení
11
110-506081
1
Čep kulisy řízení
12
110-590900
4
Těsnění
12A
110-590902
1
Těsnění 0,1
13
110-502070
1
Víko skříně řízení spodní
14
110-509650
3
Podložka vyrovnávací
14A
113-509650
3
Podložka vyrovnávací
15
110-502062
1
Víko skříně řízení vrchní
16
933-020169
1
Kroužek těsnicí 20x15, ČSN 029280.2
17
110-508581
1
Miska těsnění
18
991-744006
8
Podložka 6.4, ČSN 021744.02
19
971-286016
8
Šroub M6x16, ČSN 021103.25
20
110-508191
1
Pružina kulisy řízení
21
111-506020
1
Čep pružiny
22
110-590901
1
Těsnění
22
110-590901
1
Těsnění
23
110-502063
1
Víko skříně řízení
23A
110-502064
1
Víko skříně řízení
24
110-508013
1
Pouzdro
25
110-504680
1
Zátka kuželová
26
992-403192
1
Matice M12x1.5, ČSN 021403.25
27
111-509061
1
Šroub stavěcí
28
991-740007
1
Podložka 7, ČSN 021740.02
29
972-687022
4
Šroub M7x22, ČSN 021201.45
30
985-706018
1
Pero 6e7x6x18, ČSN 022562
31
110-500330
1
Páka řízení hlavni
32
992-412398
1
Matice M18x1.5, ČSN 021412.55
33
984-940836
1
Závlačka 4x36, ČSN 021781.05
33
984-940836
1
Závlačka 4x36, ČSN 021781.05
34
991-740010
3
Podložka 10, ČSN 021740.02
35
971-390028
3
Šroub M10x28, ČSN 021103.45
Odkaz na náš katalog užitečných kontaktů - klikni zde
>
|
|
[
Odeslat známému
|
Verze pro tisk
]
Online pokec
[
větší okno
menší okno
]
Načítám zprávy...
Načítám uživatele...
(255)
Všem
Copyright 2001-2025
Výňatky z webu mohou být použity pouze v případě uvedení zdroje - www.skodateam.cz
Provozovatel srazů a www stránek :
eRman - Roman Schavel,
tel: 603569053, email:
pošli email
Redakce a správa obsahu :
Tadeáška - Tereza Spilková,
email:
pošli email
Programování a správa www stránek :
Daves - David Spilka,
email:
pošli email
Tato stránka není oficiálním webem Škoda Auto a.s.
Partneři ŠKODATEAMU
Výměna oleje v automatu
Výměna oleje v automatické převodovce. Ceník pro vozy Škoda.
Google search
Nenašli jste na těchto stránkách co jste hledali ? Zkuste Google...
Zadejte své vyhledávací termíny
Odeslat vyhledávací formuláře
Přihlášení
Jméno:
Heslo:
Vždy přihlásit:
Zapomněl jsem heslo
Chci se zaregistrovat
Kalendář akcí
<<
Listopad 2025
>>
Po
Út
St
Čt
Pá
So
Ne
1
2
3
4
5
6
7
8
9
10
11
12
13
14
15
16
17
18
19
20
21
22
23
24
25
26
27
28
29
30
Přidat akci
Statistika
Právě prohlíží:
677
Právě přihlášeno:
1
Dnes návštěv:
51600
Celkem návštěv:
236909245
Článků:
1016
Fotografií:
34867
Komentářů:
17422
Uživatelů:
4482