ddd
Načítám obsah...



Vyhledávání
Peníze v banku
591 Kč
Co je to bank a jak čerpat?
Menu
Foto Tip
!Fotogalerie 12. Rally ples 2018

Fotogalerie 12. Rally ples 2018

WebShop Tip
Naše projekty
www.skodateam.cz
dumsnu.skodateam.cz
vysivky.skodateam.cz
Navigace

>> 

Domů

-

Naše aplikace

>

Online katalog

 <<



Autor:
151778+2832 (1669788)Daves (Administrátor)
      
Vytvořeno: 22.05.2013 - Změněno: 04.07.2013

Online katalog



<< Zpět na výběr katalogu  |  Poslat známému odkaz na tuto stránku katalogu: 
Oblast:Kategorie:Hledat číslo nebo název:

IdČísloKsNázev
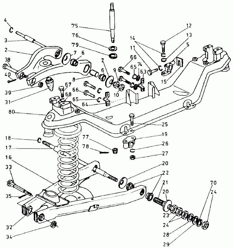
01113-4100001Náprava přední úplná (maticové řízení)
01A113-4100031Náprava přední úplná (hřebenové řízení)
01B113-4100011Náprava přední úplná (maticové řízení)
01C113-4100021Náprava přední úplná (hřebenové řízení)
01D113-4100041Náprava přední úplná (maticové řízení)
01E113-4100051Náprava přední úplná (maticové řízení)
01F114-4100011Náprava přední úplná (hřebenové řízení)
01R114-4100001Náprava přední úplná (hřebenové řízení)
02110-4200112Rameno horní úplné
02A113-4200102Rameno horní úplné
02R110-4200112Rameno horní úplné
02S113-4200102Rameno horní úplné
03110-4260842Čep horního ramene
03A113-4260822Čep horního ramene
03A113-4260822Čep horního ramene
03R110-4260842Čep horního ramene
03S113-4260822Čep horního ramene
03S113-4260822Čep horního ramene
04110-4285104Kroužek pojistný
05110-4223152Držák horního ramene
05A110-4223142Držák horního ramene
06110-4928084Pouzdro pryžové
06110-4928084Pouzdro pryžové
06110-4928084Pouzdro pryžové
07110-4285808Miska
07A110-4285804Miska
07B113-4285804Miska
08110-4280944Trubka rozpěrací
09110-4293934Matice
09A113-4293904Matice
10992-4033924Matice M12x1.5, ČSN 021403.55
11110-4290114Šroub držáku
12973-0880204Šroub M8x20, ČSN 021207.55
13992-7024884Podložka 8.4, ČSN 021702.15
14991-7400088Podložka 8, ČSN 021740.02
15110-4295914Podložka 1,0
15A110-4295904Podložka 3,0
16113-4200201Rameno spodní levé
16A113-4200221Rameno spodní levé
16B113-4200211Rameno spodní pravé
16C113-4200231Rameno spodní pravé
16R113-4200201Rameno spodní levé
16S113-4200221Rameno spodní levé
16T113-4200211Rameno spodní pravé
16U113-4200231Rameno spodní pravé
17110-4260812Čep spodního ramene
17A113-4260832Čep spodního ramene
18992-9250204Kroužek 20, ČSN 022925
19110-4223104Držák spodního čepu
20110-4185808Miska
20A110-4185804Miska
20B113-4285804Miska
21110-4280914Trubka rozpěrací
22110-4928008Pouzdro pryžové
22110-4928008Pouzdro pryžové
23110-4293914Matice
23A113-4293904Matice
24992-40339212Matice M12x1.5, ČSN 021403.55
25972-7906458Šroub M10x45, ČSN 021201.75
26991-7400108Podložka 10, ČSN 021740.02
27992-4012908Matice M10, ČSN 021401.55
28991-7290124Podložka 14, ČSN 021729
29114-4296604Podložka
31110-4928032Narážka horního ramene
32113-4295102Podložka
33113-4260812Čep výstředný
34992-4123922Matice M12x1.5, ČSN 021412.55
35984-9328252Závlačka 3,2x25, ČSN 021781.05
35984-9328252Závlačka 3,2x25, ČSN 021781.05
38110-4260832Čep horního ramene
38110-4260832Čep horního ramene
39992-4123922Matice M12x1.5, ČSN 021412.55
40984-9328252Závlačka 3,2x25, ČSN 021781.05
40984-9328252Závlačka 3,2x25, ČSN 021781.05
63114-4121601Objímka
63A114-4121601Objímka
64114-4121611Objímka
64A114-4121611Objímka
65991-7400084Podložka 8, ČSN 021740.02
65A991-7400084Podložka 8, ČSN 021740.02
65B991-7410084Podložka 8, ČSN 021741.02
66971-0880204Šroub M8x20, ČSN 021103.55
66A971-0880204Šroub M8x20, ČSN 021105.55
66B971-3880224Šroub M8x22, ČSN 021103.45
67971-3900254Šroub M10x25, ČSN 021103.45
68991-7400104Podložka 10, ČSN 021740.02
70991-7400124Podložka 12, ČSN 021740.02
74992-7034882Podložka 8,4 (hřebenové řízení), ČSN 021703.15
75113-5060301Čep pomocné páky řízení
75A113-5060301Čep pomocné páky řízení
76110-5096531Podložka opěrná
76110-5096531Podložka opěrná
76A110-5096531Podložka opěrná
76A110-5096531Podložka opěrná
77992-4123941Matice M14x1.5, ČSN 021412.55
77A992-4123941Matice M14x1.5, ČSN 021412.55
78984-9328281Závlačka 3,2x28, ČSN 021781.05
78A984-9328281Závlačka 3,2x28, ČSN 021781.05
79110-4918001Podložka pryžová
79110-4918001Podložka pryžová
80113-4100501Nápravnice (maticové řízení)
80A114-4100501Nápravnice (hřebenové řízení)
80B113-4100511Nápravnice (maticové řízení)
80C114-4100501Nápravnice (hřebenové řízení)
80D113-4100521Nápravnice (maticové řízení)


Odkaz na náš katalog užitečných kontaktů - klikni zde


| |

[ Odeslat známému | Verze pro tisk ]
 Online pokec[ větší okno ]  
Načítám zprávy...
Načítám uživatele...
(255)
 
Copyright 2001-2025
Výňatky z webu mohou být použity pouze v případě uvedení zdroje - www.skodateam.cz


Provozovatel srazů a www stránek :
eRman - Roman Schavel,
tel: 603569053, email: pošli email

Redakce a správa obsahu :
Tadeáška - Tereza Spilková,
email: pošli email

Programování a správa www stránek :
Daves - David Spilka,
email: pošli email

Tato stránka není oficiálním webem Škoda Auto a.s.

Partneři ŠKODATEAMU
Výměna oleje v automatu

Výměna oleje v automatické převodovce. Ceník pro vozy Škoda.


Google search

Nenašli jste na těchto stránkách co jste hledali ? Zkuste Google...

Google
Přihlášení
Jméno:
Heslo:
Vždy přihlásit: 



Zapomněl jsem heslo
Chci se zaregistrovat
Kalendář akcí
<< Listopad 2025 >>
PoÚtStČtSoNe
 12
3456789
10111213141516
17181920212223
24252627282930
Přidat akci
Statistika
Právě prohlíží:1069
Právě přihlášeno:1
Dnes návštěv:34545
Celkem návštěv:236892190

Článků:1016
Fotografií:34867
Komentářů:17422
Uživatelů:4482